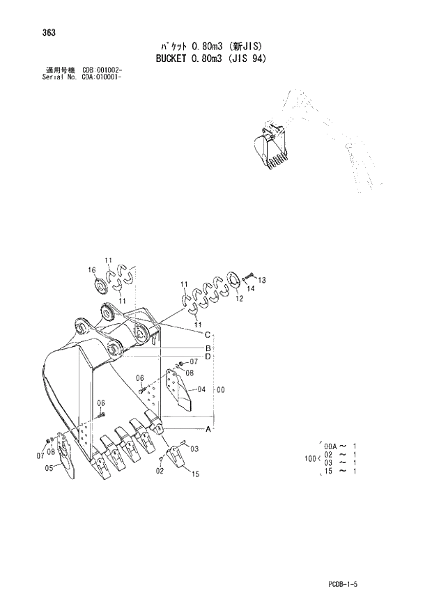
Запчасти Hitachi ZX210W 363 BUCKET 0.80m3 (JIS 94) (CDA 010001 - CDB 001002 -). 03 FRONT-END ATTACHMENTS(MONO-BOOM)

Схема запчастей Hitachi ZX210W - 363 BUCKET 0.80m3 (JIS 94) (CDA 010001 - CDB 001002 -). 03 FRONT-END ATTACHMENTS(MONO-BOOM)
FIT
1:1
100%

Артикул

Название

Примечание

Количество

9202090

BUCKET ASS'Y

1шт.

0

8084340

* BUCKET

1шт.

00A

4414271

** ADAPTER;TOOTH

5шт.

00B

4454563

** STOPPER

2шт.

00C

4225804

** BOSS

2шт.

00D

4445241

** BOSS

1шт.

2

4501625

* RUBBER;LOCK

5шт.

3

4501627

* PIN;LOCK

5шт.

4

2014503

* CUTTER;SIDE

1шт.

5

2014504

* CUTTER;SIDE

1шт.

6

J932270

* BOLT

12шт.

7

J951022

* NUT

12шт.

8

A590922

* WASHER;SPRING

12шт.

11

4275784

* SHIM 1.0

12шт.

12

4275783

* PLATE

1шт.

13

J901480

* BOLT

3шт.

14

A590914

* WASHER;SPRING

3шт.

15

4427919

* POINT;TOOTH

5шт.

16

4445245

* BOSS

1шт.

100

9200867

KIT;POINT

5шт.

Выбрано товаров: 20