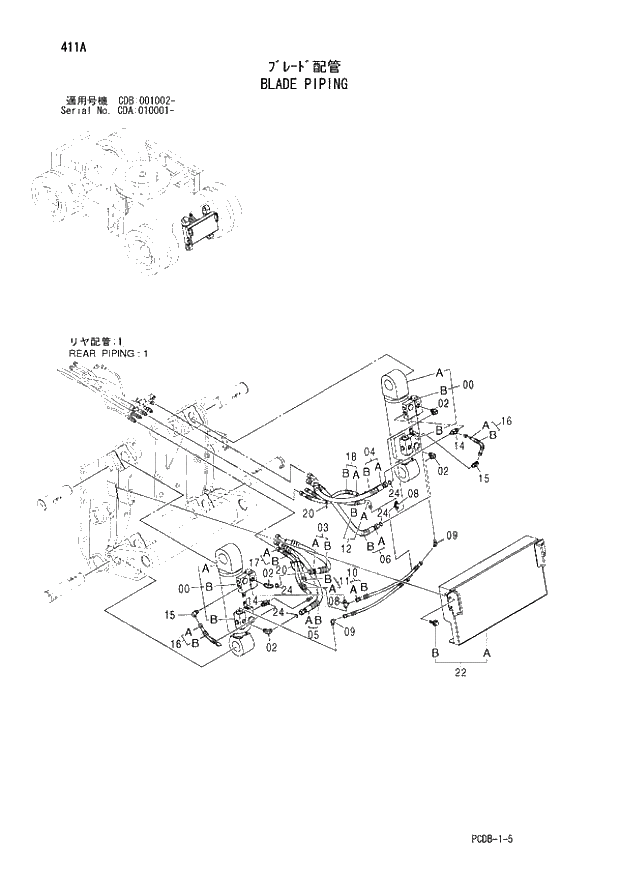
Запчасти Hitachi ZX210W 411 BLADE PIPING (CDA 010001 - CDB 001002 -). 05 BLADE PARTS

Схема запчастей Hitachi ZX210W - 411 BLADE PIPING (CDA 010001 - CDB 001002 -). 05 BLADE PARTS
FIT
1:1
100%

Артикул

Название

Примечание

Количество

0

9225025

BLADE CYL. ASS'Y

2шт.

00A

4486447

* CYL.;BLADE

1шт.

00B

9220919

* VALVE;CHECK

2шт.

2

4202112

ELBOW;S

4шт.

02A

4509180

* O-RING

1шт.

3

9224471

HOSE ASS'Y

1шт.

03A

4489113

* HOSE

1шт.

03B

4327294

* PROTECTOR

1шт.

4

9225992

HOSE ASS'Y

1шт.

04A

4489114

* HOSE

1шт.

04B

4327294

* PROTECTOR

1шт.

5

9224006

HOSE ASS'Y

1шт.

05A

4285798

* HOSE

1шт.

05B

4327294

* PROTECTOR

2шт.

6

9227337

HOSE ASS'Y

1шт.

06A

4606397

* HOSE

1шт.

06B

4327294

* PROTECTOR

1шт.

8

4219346

TEE;S

2шт.

08A

957366

* O-RING

1шт.

9

A852322

ELBOW;S

2шт.

09A

957366

* O-RING

1шт.

10

9224009

HOSE ASS'Y

2шт.

10A

4340881

* HOSE

1шт.

10B

4327293

* PROTECTOR

1шт.

11

9227338

HOSE ASS'Y

1шт.

11A

4604735

* HOSE

1шт.

11B

4327293

* PROTECTOR

1шт.

12

9224469

HOSE ASS'Y

1шт.

12A

4454249

* HOSE

1шт.

12B

4327293

* PROTECTOR

1шт.

14

4246385

TEE;S

2шт.

14A

4509180

* O-RING

1шт.

15

A852332

ELBOW;S

2шт.

15A

4509180

* O-RING

1шт.

16

9224010

HOSE ASS'Y

2шт.

16A

4366745

* HOSE (D43)

1шт.

16B

4327293

* PROTECTOR

1шт.

17

9224469

HOSE ASS'Y

1шт.

17A

4454249

* HOSE

1шт.

17B

4327293

* PROTECTOR

1шт.

18

9224467

HOSE ASS'Y

1шт.

18A

4419604

* HOSE

1шт.

18B

4327293

* PROTECTOR

1шт.

20

4055312

CLIP;BAND

2шт.

22

9223937

BLADE COVER ASS'Y

1шт.

22A

8091488

* COVER

1шт.

22B

J021230

* BOLT;SEMS

0

4шт.

22B

J271230

* BOLT;SEMS

T D03/05 -

4шт.

@111

24

4138938

O-RING

4шт.

Выбрано товаров: 50