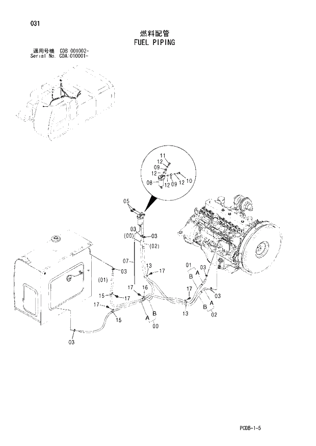
Запчасти Hitachi ZX210W 031 FUEL PIPING (CDA 010001 - CDB 001002 -). 01 UPPERSTRUCTURE

Схема запчастей Hitachi ZX210W - 031 FUEL PIPING (CDA 010001 - CDB 001002 -). 01 UPPERSTRUCTURE
FIT
1:1
100%

Артикул

Название

Примечание

Количество

0

9211235

HOSE;FUEL

1шт.

00A

4397360

* HOSE;FUEL

1шт.

00B

4332697

* TUBE

1шт.

1

9211236

HOSE;FUEL

1шт.

01A

4387727

* HOSE;FUEL

1шт.

01B

4267659

* TUBE

1шт.

2

9211237

HOSE;FUEL

1шт.

02A

4436675

* HOSE;FUEL

1шт.

02B

4344648

* TUBE

1шт.

3

4514700

CLIP;HOSE

6шт.

5

J020825

BOLT;SEMS

0

2шт.

5

J260825

BOLT;SEMS

T D03/05 -

2шт.

@111

7

4469544

HOSE;VINYL

1шт.

8

4452161

SEPARATOR

1шт.

9

4452162

PIPE;FUEL

2шт.

10

4452163

BOLT;EYE

1шт.

11

4452164

FILTER;GAUZE

1шт.

12

4452165

PACKING

4шт.

13

4192034

CLIP

2шт.

15

4190273

CLIP

2шт.

16

4190282

CLIP

1шт.

17

J011020

BOLT;SEMS

0

5шт.

17

J271020

BOLT;SEMS

T D03/05 -

5шт.

@222

Выбрано товаров: 25