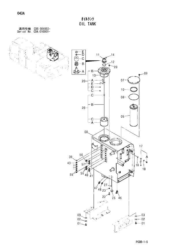
Запчасти Hitachi ZX210W 043 OIL TANK (CDA 010001 - CDB 001002 -). 01 UPPERSTRUCTURE

Схема запчастей Hitachi ZX210W - 043 OIL TANK (CDA 010001 - CDB 001002 -). 01 UPPERSTRUCTURE
FIT
1:1
100%

Артикул

Название

Примечание

Количество

0

5008859

TANK;OIL

I -1026

1шт.

0

5008792

TANK;OIL

001027 -

1шт.

1

J921645

BOLT

4шт.

2

A590916

WASHER;SPRING

4шт.

3

J222016

WASHER

4шт.

5

4443773

ELEMENT;FILTER

1шт.

7

4440802

COVER

1шт.

8

A810190

O-RING

1шт.

9

J021035

BOLT;SEMS

0

6шт.

9

J271035

BOLT;SEMS

T D03/05 -

6шт.

@111

10

4472673

SPRING

1шт.

11

4434017

BREATHER;AIR

1шт.

11A

4437833

* BODY

1шт.

11B

4437838

* ELEMENT

1шт.

11C

4437837

* COVER

1шт.

11D

4371825

* NUT

1шт.

11E

4437836

* CAP

1шт.

12

A810060

O-RING

1шт.

13

A810160

O-RING

1шт.

14

J770616

BOLT;SOCKET

I 0

4шт.

14

J780616

BOLT;SOCKET

D03/05 -

4шт.

17

8053499

GAUGE;LEVEL

1шт.

17A

4100967

* BOLT

2шт.

18

449558

WASHER;SEAL

4шт.

20

9184556

COVER ASS'Y

1шт.

20A

4408661

* BRACKET

1шт.

20B

1025093

* COVER

1шт.

20C

4350623

* BOLT

1шт.

20D

4225466

* WASHER;SPRING

1шт.

20E

4225472

* WASHER;PLANE

1шт.

22

4250260

SENSOR

1шт.

23

4250261

GASKET

1шт.

26

A885008

PLUG

1шт.

26A

4506429

* O-RING

1шт.

27

A885002

PLUG

1шт.

27A

957366

* O-RING

1шт.

28

4468633

FILTER;SUCTION

1шт.

28A

4210224

* STRAINER

1шт.

28B

4603515

* ROD

1шт.

28C

J950010

* NUT

3шт.

29

J021025

BOLT;SEMS

0

6шт.

29

J271025

BOLT;SEMS

T D03/05 -

6шт.

@222

39

A885003

PLUG

1шт.

39A

4509180

* O-RING

1шт.

40

A852322

ELBOW;S

1шт.

40A

957366

* O-RING

1шт.

41

A852323

ELBOW;S

1шт.

41A

957366

* O-RING

1шт.

43

A852133

ADAPTER;S

4шт.

43A

4509180

* O-RING

1шт.

46

A852344

ELBOW;S

1шт.

46A

4506418

* O-RING

1шт.

47

A852244

ELBOW;S

1шт.

47A

4506418

* O-RING

1шт.

48

A852233

ELBOW;S

1шт.

48A

4509180

* O-RING

1шт.

55

A852122

ADAPTER;S

2шт.

55A

957366

* O-RING

1шт.

56

A852332

ELBOW;S

3шт.

56A

4509180

* O-RING

1шт.

57

A852333

ELBOW;S

2шт.

57A

4509180

* O-RING

1шт.

Выбрано товаров: 64