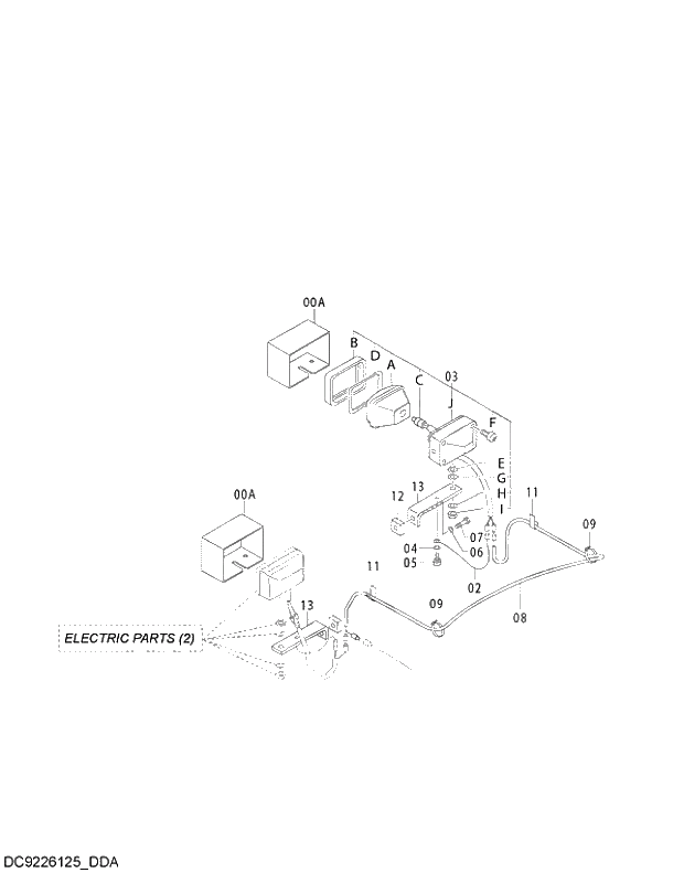
Запчасти Hitachi ZX240-3G 084 BOOM LIGHT (R)(WITH LIGHT COVER) 01 UPPERSTRUCTURE

Схема запчастей Hitachi ZX240-3G - 084 BOOM LIGHT (R)(WITH LIGHT COVER) 01 UPPERSTRUCTURE
FIT
1:1
100%

Артикул

Название

Примечание

Количество

00

9225322

COVER;LIGHT

1шт.

00A

8091044

* COVER

2шт.

02

4254604

HARNESS;WIRE

1шт.

03

D

LAMP;HEAD

I

1шт.

03

S

LAMP;HEAD

1шт.

03A

4326801

* LENS;UNIT

1шт.

03B

4326802

* FRAME

1шт.

03C

4285648

* BULB

1шт.

03D

4326803

* GASKET

1шт.

03E

4307026

* WASHER

1шт.

03F

4307027

* SCREW

4шт.

03G

A590114

* WASHER;PLANE

1шт.

03H

A590914

* WASHER;SPRING

1шт.

03I

J952014

* NUT

1шт.

03J

D

* BODY

1шт.

04

A590906

WASHER;SPRING

1шт.

05

M430613

SCREW

1шт.

06

A590914

WASHER;SPRING

1шт.

07

J901425

BOLT

1шт.

08

4344125

HARNESS;WIRE

1шт.

09

4055311

CLIP;BAND

5шт.

11

W

CLIP;WD.

2шт.

12

W

SEAT;SCREW

1шт.

13

4602796

BRACKET

2шт.

Выбрано товаров: 24