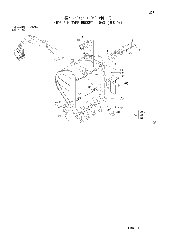
Запчасти Hitachi ZX250 372 SIDE-PIN TYPE BUCKET 1.0m3 (JIS 94). FRONT-END ATTACHMENTS(MONO-BOOM)

Схема запчастей Hitachi ZX250 - 372 SIDE-PIN TYPE BUCKET 1.0m3 (JIS 94). FRONT-END ATTACHMENTS(MONO-BOOM)
FIT
1:1
100%

Артикул

Название

Примечание

Количество

9201440

BUCKET ASS'Y

1шт.

00

8084126

* BUCKET

1шт.

00A

W/K

** ADAPTER;TOOTH

5шт.

00B

W

** STOPPER

2шт.

00C

W

** BOSS

2шт.

00D

W

** BOSS

1шт.

02

K

* POINT;TOOTH

5шт.

03

K

* PIN

5шт.

04

2021232

* CUTTER;SIDE

1шт.

05

2021233

* CUTTER;SIDE

1шт.

06

J932280

* BOLT

12шт.

07

J951022

* NUT

12шт.

08

A590922

* WASHER;SPRING

12шт.

10

4445246

* BOSS

1шт.

11

R

* SHIM 1.0mm

14шт.

13

4275783

* PLATE

1шт.

14

J901485

* BOLT

3шт.

15

A590914

* WASHER;SPRING

3шт.

100

9179373

KIT;POINT

5шт.

Выбрано товаров: 19