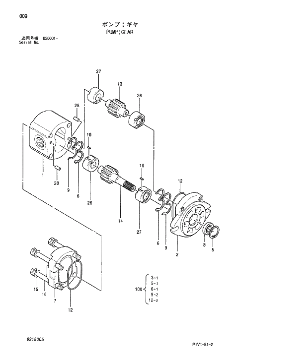
Запчасти Hitachi ZX250H-3 009 PUMP;GEAR. 01 PUMP

Схема запчастей Hitachi ZX250H-3 - 009 PUMP;GEAR. 01 PUMP
FIT
1:1
100%

Артикул

Название

Примечание

Количество

9218005

PUMP;GEAR

1шт.

1

D

* HOUSING

1шт.

2

2050209

* FLANGE

1шт.

3

K

* SEAL;OIL

1шт.

5

K

* RING;RETAINING

1шт.

6

K

* SEAL

2шт.

7

4605732

* COVER

1шт.

9

K

* RING;BACK-UP

2шт.

10

4484119

* KEY

2шт.

12

K

* O-RING

2шт.

13

D

* GEAR

1шт.

14

D

* GEAR

1шт.

15

4605742

* WASHER

4шт.

16

4605670

* BOLT

4шт.

26

D

* BUSH

2шт.

27

D

* BUSH

2шт.

28

400613

* PIN

4шт.

100

4487340

KIT;SEAL

1шт.

Выбрано товаров: 18