Запчасти Hitachi ZX250K-3 345 BUCKET 1.1m3 JIS 94. 03 FRONT-END ATTACHMENTS(MONO-BOOM)

Схема запчастей Hitachi ZX250K-3 - 345 BUCKET 1.1m3 JIS 94. 03 FRONT-END ATTACHMENTS(MONO-BOOM)
FIT
1:1
100%

Артикул

Название

Примечание

Количество

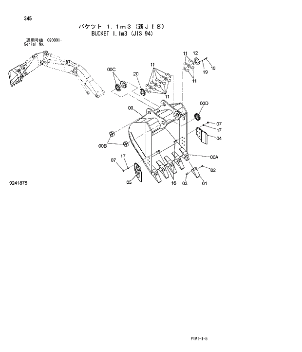
9241875

BUCKET ASS'Y

1шт.

00

8097394

* BUCKET

1шт.

00A

W/K

** ADAPTER;TOOTH

5шт.

00B

W

** STOPPER

2шт.

00C

W

** BOSS

2шт.

00D

W

** BOSS

1шт.

01

K

POINT;TOOTH

5шт.

02

K

RUBBER;LOCK

5шт.

03

K

PIN;LOCK

5шт.

04

2021232

CUTTER;SIDE

1шт.

05

2021233

CUTTER;SIDE

1шт.

07

J951022

NUT

12шт.

11

R

SHIM 1.0mm

14шт.

12

4275783

PLATE

1шт.

16

J932275

BOLT

12шт.

17

A590922

WASHER;SPRING

12шт.

18

J901485

BOLT

3шт.

19

A590914

WASHER;SPRING

3шт.

20

4445246

BOSS

1шт.

100

9205905

KIT;POINT

5шт.

Выбрано товаров: 20