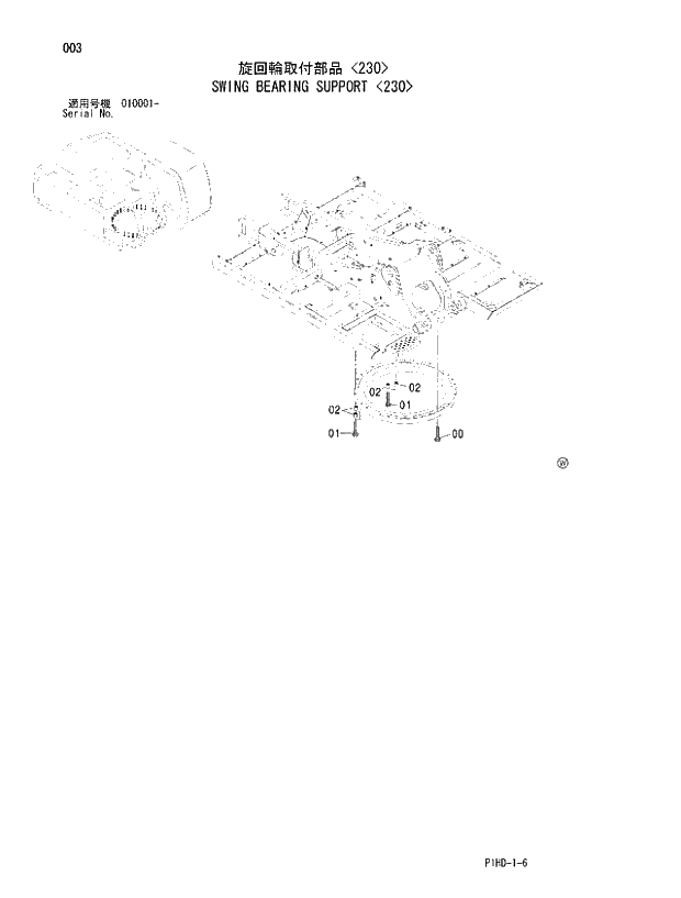
Запчасти Hitachi ZX250LC 003 SWING BEARING SUPPORT 230. UPPERSTRUCTURE

Схема запчастей Hitachi ZX250LC - 003 SWING BEARING SUPPORT 230. UPPERSTRUCTURE
FIT
1:1
100%

Артикул

Название

Примечание

Количество

00

J922203

BOLT

30шт.

01

J922212

BOLT

4шт.

02

4381637

SPACER

4шт.

Выбрано товаров: 0