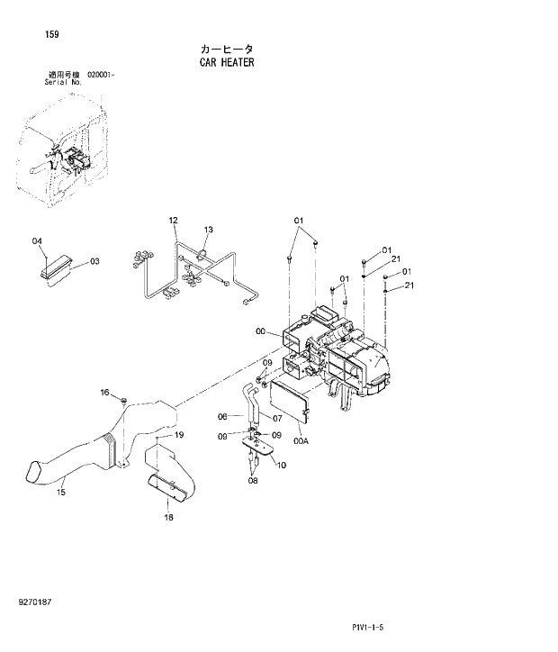
Запчасти Hitachi ZX250LCK-3 159 CAR HEATER. 01 UPPERSTRUCTURE

Схема запчастей Hitachi ZX250LCK-3 - 159 CAR HEATER. 01 UPPERSTRUCTURE
FIT
1:1
100%

Артикул

Название

Примечание

Количество

00

4653749

HEATER

1шт.

00A

4643580

* FILTER

1шт.

01

D

BOLT;SEMS

6шт.

01A

J901035

* BOLT

1шт.

01B

J222010

* WASHER

1шт.

03

4450708

CONTROLLER

I 0

1шт.

03

4692240

CONTROLLER

D08/03 -

1шт.

04

J460516

SCREW;SEMS

4шт.

06

4430872

HOSE;WATER

1шт.

07

4430873

HOSE;WATER

1шт.

08

4347396

JOINT;PIPE

2шт.

09

4514699

CLAMP;HOSE

4шт.

10

2052064

BUSHING;RUBBER

1шт.

12

1032763

HARNESS;WIRE

1шт.

13

4475769

CLIP

1шт.

15

4636094

DUCT

1шт.

16

D

BOLT;SEMS

1шт.

16A

J901035

* BOLT

1шт.

16B

4486055

* WASHER

1шт.

18

4636096

DUCT

1шт.

19

J460616

SCREW;SEMS

2шт.

21

J222010

WASHER

2шт.

Выбрано товаров: 22