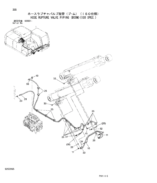
Запчасти Hitachi ZX250LCK-3 355 HOSE RUPTURE VALVE PIPING BOOM ISO SPEC.. 03 FRONT-END ATTACHMENTS(MONO-BOOM)

Схема запчастей Hitachi ZX250LCK-3 - 355 HOSE RUPTURE VALVE PIPING BOOM ISO SPEC.. 03 FRONT-END ATTACHMENTS(MONO-BOOM)
FIT
1:1
100%

Артикул

Название

Примечание

Количество

08

9265239

ASSY;HOSE

1шт.

08A

4656095

* HOSE

1шт.

08B

4327293

* PROTECTOR

8шт.

11

A852323

ELBOW;S

3шт.

11A

957366

* O-RING

1шт.

15

9265280

ASSY;HOSE

1шт.

15A

4656097

* HOSE

1шт.

15B

4327293

* PROTECTOR

2шт.

19

4208910

TEE;S

1шт.

19A

4509180

* O-RING

1шт.

23

A852133

ADAPTER;S

1шт.

23A

4509180

* O-RING

1шт.

25

4055312

CLIP;BAND

14шт.

26

A852122

ADAPTER;S

2шт.

26A

957366

* O-RING

1шт.

28

9267881

ASSY;HOSE

1шт.

28A

4455200

* HOSE

1шт.

28B

4327293

* PROTECTOR

9шт.

30

4659668

HOSE

1шт.

31

A852423

TEE;S

1шт.

31A

957366

* O-RING

1шт.

32

4246672

UNION;M

1шт.

33

4435299

PLUG

2шт.

33A

4506416

* O-RING

1шт.

34

9223211

HOSE ASSY

1шт.

34A

4479838

* HOSE

1шт.

34B

4327293

* PROTECTOR

2шт.

Выбрано товаров: 27