Запчасти Hitachi ZX250LCK-3 053 MAIN PIPING 1. 01 UPPERSTRUCTURE

Схема запчастей Hitachi ZX250LCK-3 - 053 MAIN PIPING 1. 01 UPPERSTRUCTURE
FIT
1:1
100%

Артикул

Название

Примечание

Количество

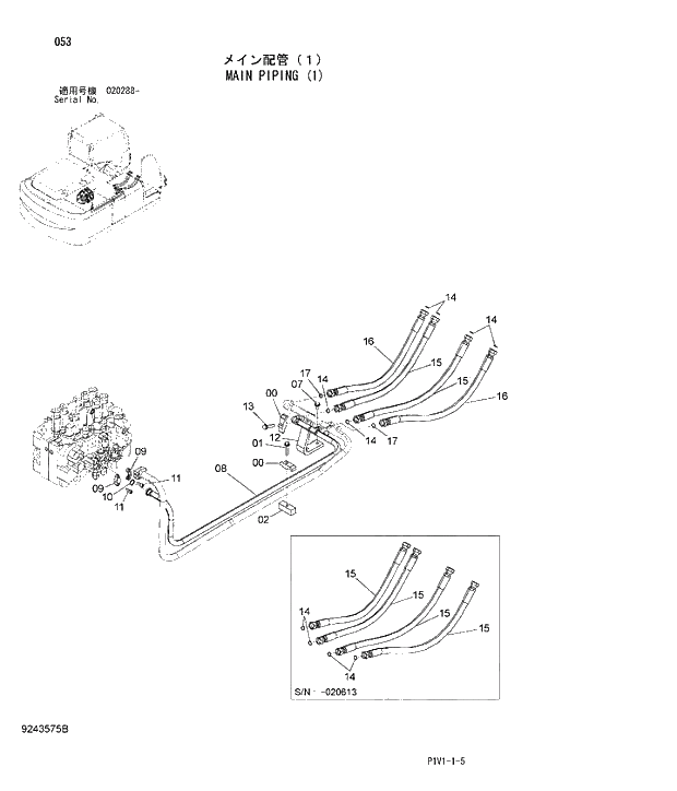
00

4153488

CLAMP;PIPE

2шт.

01

D

BOLT;SEMS

1шт.

01A

J901270

* BOLT

1шт.

01B

J222012

* WASHER

1шт.

02

4209157

SEAT;SCREW

1шт.

07

D

BOLT;SEMS

2шт.

07A

J901230

* BOLT

1шт.

07B

J222012

* WASHER

1шт.

08

8098712

PIPE

1шт.

09

986910

FLANGE;SPLIT

2шт.

10

971489

O-RING

1шт.

11

J781030

BOLT;SOCKET

4шт.

12

9766967

BRACKET

1шт.

13

D

BOLT;SEMS

1шт.

13A

J901285

* BOLT

1шт.

13B

J222012

* WASHER

1шт.

14

4187308

O-RING

-20613

8шт.

14

4187308

O-RING

020614 -

6шт.

15

4614162

HOSE

-20613

4шт.

15

4614162

HOSE

020614 -

2шт.

16

4670781

HOSE

020614 -

2шт.

17

4187328

O-RING

020614 -

2шт.

Выбрано товаров: 22