Запчасти Hitachi ZX250LCK-3G 076 ELECTRIC PARTS (E) 01 UPPERSTRUCTURE

Схема запчастей Hitachi ZX250LCK-3G - 076 ELECTRIC PARTS (E) 01 UPPERSTRUCTURE
FIT
1:1
100%

Артикул

Название

Примечание

Количество

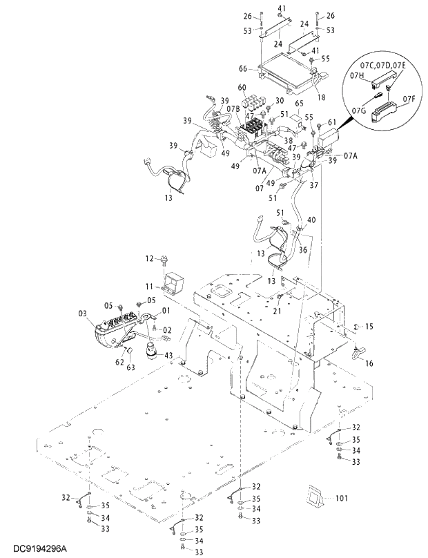
01

3087882

BRACKET

1шт.

02

4361800

SCREW;TAPPING

3шт.

03

4454518

BOX;SWITCH

1шт.

05

D

BOLT;SEMS

3шт.

05A

J900814

* BOLT

1шт.

05B

A590108

* WASHER;PLANE

1шт.

07

0003322

HARNESS;WIRE

1шт.

07A

4456778

* DIODE

5шт.

07B

4427429

* BOX;RELAY

1шт.

07C

4428910

* FUSE

10шт.

07D

4428911

* FUSE

7шт.

07E

4436736

* FUSE

2шт.

07F

4456735

* BOX;FUSE

1шт.

07G

4436737

* PULLER

1шт.

07H

4443490

* COVER

1шт.

11

4431090

CONNECTOR

1шт.

12

J460620

SCREW;SEMS

2шт.

13

4323613

CLIP;BAND

3шт.

15

4367375

BRACKET

1шт.

16

4617012

SWITCH

1шт.

18

4439897

HARNESS;WIRE

1шт.

21

J460616

SCREW;SEMS

2шт.

24

8082329

BRACKET

2шт.

26

M430660

SCREW

4шт.

30

J460620

SCREW;SEMS

4шт.

32

4281293

HARNESS;WIRE

4шт.

33

J901016

BOLT

4шт.

34

A590910

WASHER;SPRING

4шт.

35

A590110

WASHER;PLANE

4шт.

36

4190261

CLIP

1шт.

37

4192035

CLIP

1шт.

38

4190253

CLIP

1шт.

39

4055312

CLIP;BAND

5шт.

40

4055311

CLIP;BAND

1шт.

41

J460510

SCREW;SEMS

4шт.

43

D

SWITCH;START

1шт.

47

D

BOLT;SEMS

2шт.

47A

J900816

* BOLT

1шт.

47B

A590108

* WASHER;PLANE

1шт.

49

4449019

CLIP

3шт.

51

D

BOLT;SEMS

3шт.

51A

J901020

* BOLT

1шт.

51B

J222010

* WASHER

1шт.

53

A590106

WASHER;PLANE

4шт.

55

J460310

SCREW;SEMS

4шт.

60

4436534

RELAY

9шт.

61

J460620

SCREW;SEMS

2шт.

62

4381572

SCREW

1шт.

63

4426354

CAP

1шт.

65

Z

CONTROLLER

1шт.

66

9322519

CONTROLLER

1шт.

101

4369817

KIT;REPAIR

1шт.

Выбрано товаров: 52