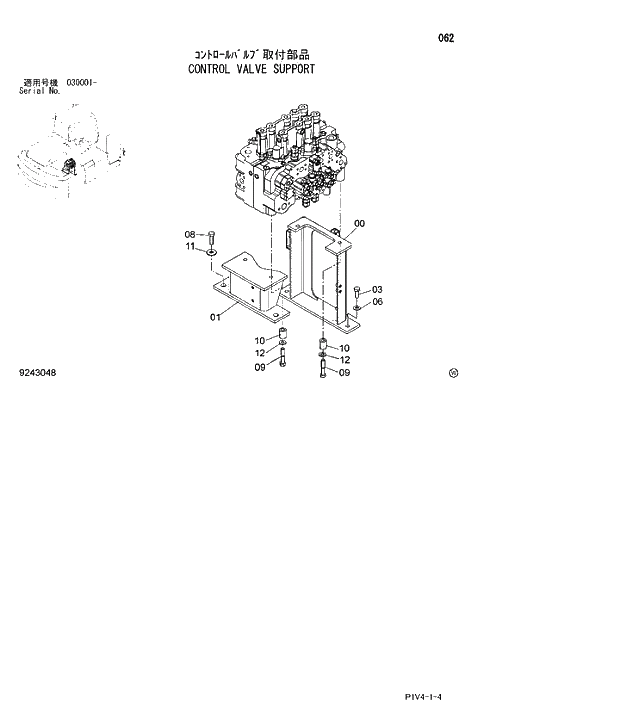
Запчасти Hitachi ZX270LC-3 062CONTROL VALVE SUPPORT. 01 UPPERSTRUCTURE

Схема запчастей Hitachi ZX270LC-3 - 062CONTROL VALVE SUPPORT. 01 UPPERSTRUCTURE
FIT
1:1
100%

Артикул

Название

Примечание

Количество

00

8098474

BRACKET

1шт.

01

8098475

BRACKET

1шт.

03

J921640

BOLT

2шт.

06

J222016

WASHER

2шт.

08

J921655

BOLT

2шт.

09

J921680

BOLT

4шт.

10

4646320

SPACER

4шт.

11

4650338

WASHER

2шт.

12

J222016

WASHER

4шт.

Выбрано товаров: 9