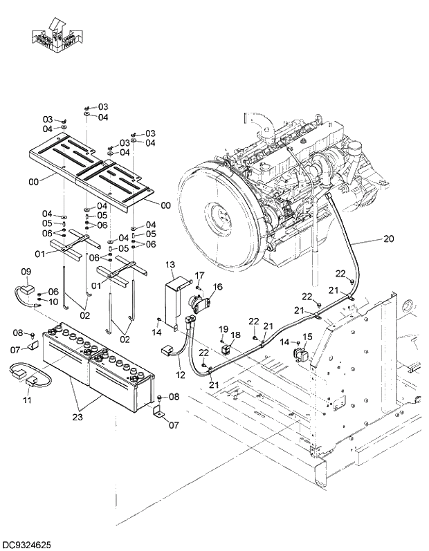
Запчасти Hitachi ZX280LC-5G 001 ELECTRIC PARTS (1) 07 ELECTRIC SYSTEM

Схема запчастей Hitachi ZX280LC-5G - 001 ELECTRIC PARTS (1) 07 ELECTRIC SYSTEM
FIT
1:1
100%

Артикул

Название

Примечание

Количество

00

3106378

COVER

2шт.

01

8121852

BRACKET

2шт.

02

4430289

BOLT;HOOK

4шт.

03

M570010

NUT;WING

4шт.

04

J217083

WASHER

8шт.

05

4627469

SPACER

4шт.

06

J950010

NUT

9шт.

07

4634964

BRACKET

2шт.

08

J271030

BOLT;SEMS

2шт.

08A

J901030

* BOLT

1шт.

08B

J222010

* WASHER

1шт.

09

4708558

CABLE;BATT.

1шт.

10

A590110

WASHER;PLANE

1шт.

11

4647307

CABLE;BATT.

1шт.

12

4648004

CABLE;BATT.

1шт.

13

YA00010478

COVER

1шт.

14

J260816

BOLT;SEMS

5шт.

14A

J900816

* BOLT

1шт.

14B

A590108

* WASHER;PLANE

1шт.

15

4452158

RELAY;SAFETY

1шт.

16

4255762

RELAY;BATTERY

1шт.

17

J260830

BOLT;SEMS

2шт.

17A

J900830

* BOLT

1шт.

17B

A590108

* WASHER;PLANE

1шт.

18

4452159

RELAY

1шт.

19

J260616

BOLT;SEMS

2шт.

19A

J900616

* BOLT

1шт.

19B

A590106

* WASHER;PLANE

1шт.

20

YA00010917

CABLE;BATTERY

1шт.

21

4190274

CLIP

4шт.

22

J271020

BOLT;SEMS

4шт.

22A

J901020

* BOLT

1шт.

22B

J222010

* WASHER

1шт.

23

4628452

BATTERY

2шт.

Выбрано товаров: 34