Запчасти Hitachi ZX280LC 109 VALVE;LOCK. VALVE

Схема запчастей Hitachi ZX280LC - 109 VALVE;LOCK. VALVE
FIT
1:1
100%

Артикул

Название

Примечание

Количество

4407253

VALVE;LOCK

1шт.

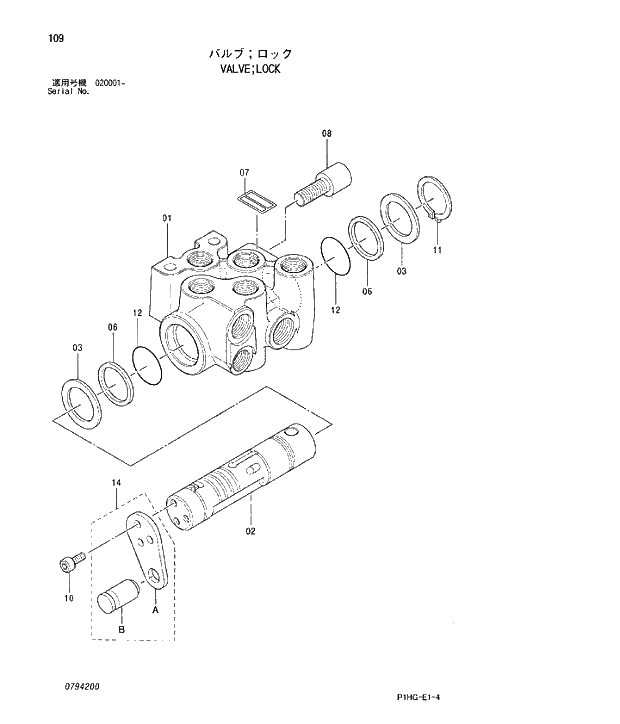
01

D

* BODY

1шт.

02

D

* SPOOL

1шт.

03

0794201

* WASHER

2шт.

06

0794202

* RING;BACK-UP

2шт.

07

D

* NAME-PLATE

1шт.

08

0794203

* PIN

1шт.

10

0794204

* BOLT;SOCKET

3шт.

11

0794205

* RING;RETAINING

1шт.

12

0794206

* O-RING

2шт.

14

0794207

* BRACKET ASS'Y

1шт.

14A

D

* BRACKET

1шт.

14B

D

* PIN

1шт.

Выбрано товаров: 13