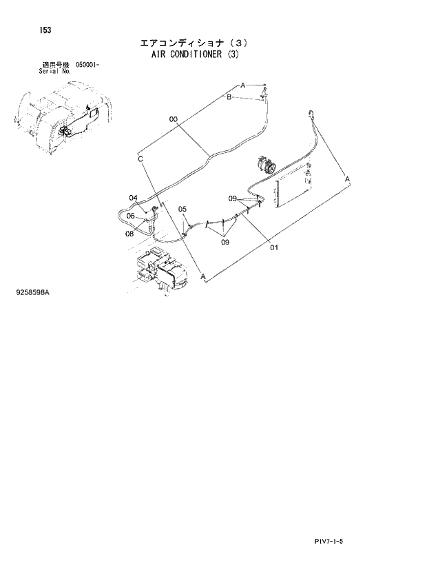
Запчасти Hitachi ZX350H-3 153 AIR CONDITIONER (3). 01 UPPERSTRUCTURE

Схема запчастей Hitachi ZX350H-3 - 153 AIR CONDITIONER (3). 01 UPPERSTRUCTURE
FIT
1:1
100%

Артикул

Название

Примечание

Количество

00

4630839

HOSE

1шт.

00A

4370251

* CAP

1шт.

00B

4703212

* O-RING

1шт.

00C

4421939

* O-RING

1шт.

01

4630840

HOSE

1шт.

01C

4422000

* O-RING

2шт.

04

D

BOLT;SEMS

1шт.

04A

J900625

* BOLT

1шт.

04B

A590106

* WASHER;PLANE

1шт.

05

4190273

CLIP

2шт.

06

4631800

CLAMP

1шт.

08

4367681

SCREW;TAPPING

1шт.

09

4371049

CLIP;BAND

6шт.

Выбрано товаров: 13