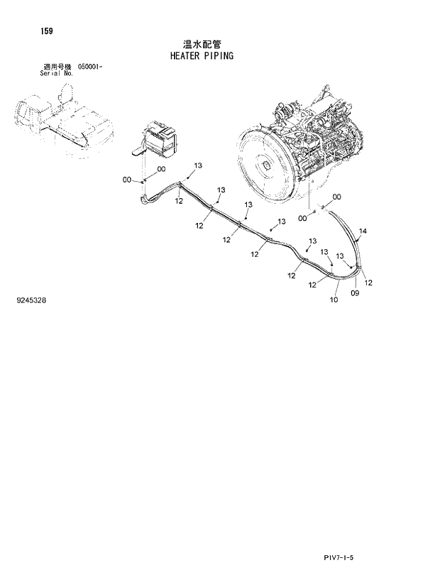
Запчасти Hitachi ZX350H-3 159 HEATER PIPING. 01 UPPERSTRUCTURE

Схема запчастей Hitachi ZX350H-3 - 159 HEATER PIPING. 01 UPPERSTRUCTURE
FIT
1:1
100%

Артикул

Название

Примечание

Количество

00

4514699

CLAMP;HOSE

4шт.

09

4266930

HOSE;WATER

I 0

1шт.

09

4307957

HOSE;WATER

D08/03 -

1шт.

10

4447625

HOSE;WATER

I 0

1шт.

10

4368343

HOSE;WATER

D08/03 -

1шт.

12

4192034

CLIP

7шт.

13

D

BOLT;SEMS

7шт.

13A

J901020

* BOLT

1шт.

13B

J222010

* WASHER

1шт.

14

4055312

CLIP;BAND

1шт.

Выбрано товаров: 10