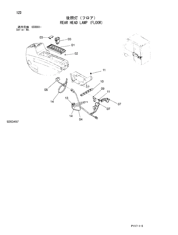
Запчасти Hitachi ZX350LCK-3 123 REAR HEAD LAMP (FLOOR). 01 UPPERSTRUCTURE

Схема запчастей Hitachi ZX350LCK-3 - 123 REAR HEAD LAMP (FLOOR). 01 UPPERSTRUCTURE
FIT
1:1
100%

Артикул

Название

Примечание

Количество

00

4651294

SWITCH

1шт.

01

2053295

CASE(6)

1шт.

02

4361800

SCREW;TAPPING

4шт.

03

4620283

CAP

5шт.

04

4648252

HARNESS;WIRE

1шт.

05

4652003

HARNESS;WIRE

1шт.

07

4055312

CLIP;BAND

2шт.

09

4414207

RELAY

1шт.

10

8100850

BRACKET

1шт.

11

J460616

SCREW;SEMS

3шт.

13

4254600

CLIP

1шт.

14

4121859

CLIP;BAND

2шт.

Выбрано товаров: 12