Запчасти Hitachi ZX350LCK-3 241 DOOR LOCK. 01 UPPERSTRUCTURE

Схема запчастей Hitachi ZX350LCK-3 - 241 DOOR LOCK. 01 UPPERSTRUCTURE
FIT
1:1
100%

Артикул

Название

Примечание

Количество

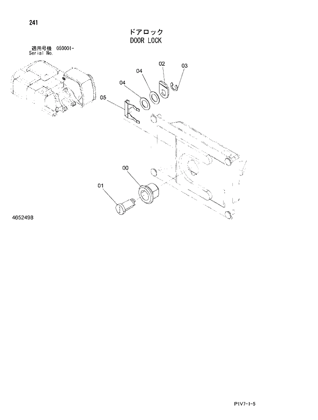
4652498

LOCK;(L)

1шт.

00-03

4409396

* CYL.;LOCK

1шт.

00

4461339

** CASE

1шт.

01

4461338

** KEY

1шт.

02

4461340

** PLATE

1шт.

03

4461337

** RING

1шт.

04

4461341

* WASHER

2шт.

05

4461342

CLIP

1шт.

Выбрано товаров: 8