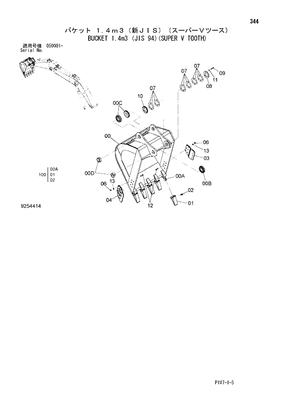
Запчасти Hitachi ZX350LCK-3 344 BUCKET 1.4m3 (JIS 94)(SUPER V TOOTH). 03 FRONT-END ATTACHMENT (MONO-BOOM)

Схема запчастей Hitachi ZX350LCK-3 - 344 BUCKET 1.4m3 (JIS 94)(SUPER V TOOTH). 03 FRONT-END ATTACHMENT (MONO-BOOM)
FIT
1:1
100%

Артикул

Название

Примечание

Количество

9254414

BUCKET ASS'Y

1шт.

00

8102016

* BUCKET

1шт.

00A

W/K

** ADAPTER;TOOTH

5шт.

00B

W

** BOSS

1шт.

00C

W

** BOSS

2шт.

00D

W

** STOPPER

2шт.

01

K

* POINT;TOOTH

5шт.

02

K

* PIN

5шт.

03

2021232

* CUTTER;SIDE

1шт.

04

2021233

* CUTTER;SIDE

1шт.

06

J951022

* NUT

12шт.

07

R

* SHIM 1.0mm

12шт.

08

4277929

* PLATE

1шт.

09

J901495

* BOLT

3шт.

10

4445247

* BOSS

1шт.

11

A590914

* WASHER;SPRING

3шт.

12

J932275

* BOLT

12шт.

13

A590922

* WASHER;SPRING

12шт.

100

9174125

KIT;POINT

5шт.

Выбрано товаров: 19