Запчасти Hitachi ZX350LCK-3G 077 ELECTRIC PARTS (B) 01 UPPERSTRUCTURE

Схема запчастей Hitachi ZX350LCK-3G - 077 ELECTRIC PARTS (B) 01 UPPERSTRUCTURE
FIT
1:1
100%

Артикул

Название

Примечание

Количество

0

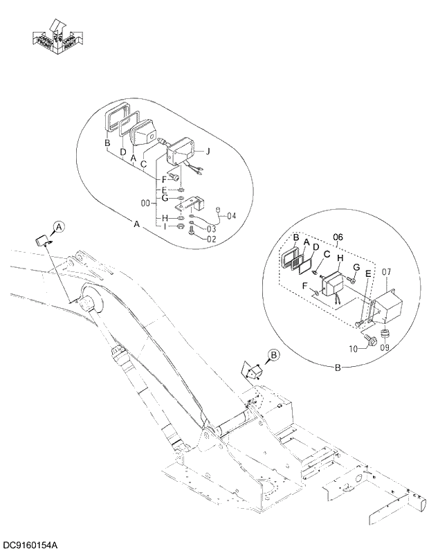
4336570

LAMP;HEAD ASS'Y

I

1шт.

0

4326800

LAMP;HEAD ASS'Y

1шт.

00A

4326801

* LENS;UNIT

1шт.

00B

4326802

* FRAME

1шт.

00C

4285648

* BULB

1шт.

00D

4326803

* GASKET

1шт.

00E

4307026

* WASHER

1шт.

00F

4307027

* SCREW

4шт.

00G

A590114

* WASHER;PLANE

1шт.

00H

A590914

* WASHER;SPRING

1шт.

00I

J952014

* NUT

1шт.

00J

+++++++

* BODY

1шт.

2

M430613

SCREW

1шт.

3

A590906

WASHER;SPRING

1шт.

4

4254604

HARNESS;WIRE

1шт.

6

4274478

LAMP;HEAD ASS'Y

1шт.

06A

4285646

* LENS

1шт.

06B

4285647

* RIM

1шт.

06C

4285648

* BULB

1шт.

06D

4288342

* GASKET

1шт.

06E

J900616

* BOLT

2шт.

06F

+++++++

* WASHER

2шт.

06G

+++++++

* SCREW;TAPPING

4шт.

06H

+++++++

* BODY

1шт.

7

3079929

BRACKET

1шт.

9

94-2807

BUSHING;RUBBER

1шт.

10

J271020

BOLT;SEMS

4шт.

10A

J901020

* BOLT

1шт.

10B

J222010

* WASHER

1шт.

Выбрано товаров: 29