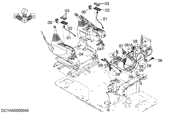
Запчасти Hitachi ZX350LCK-5G 014 ELECTRIC CONTROL PARTS 07 ELECTRIC SYSTEM

Схема запчастей Hitachi ZX350LCK-5G - 014 ELECTRIC CONTROL PARTS 07 ELECTRIC SYSTEM
FIT
1:1
100%

Артикул

Название

Примечание

Количество

00

4651295

SWITCH

2шт.

01

4651278

HARNESS;WIRE

2шт.

02

2058776

CASE

2шт.

03

3121182

CAP

6шт.

04

4121859

CLIP;BAND

2шт.

06

YA00000663

HARNESS;WIRE

1шт.

07

4436534

RELAY

4шт.

08

4055312

CLIP;BAND

8шт.

09

4692542

CLIP

1шт.

Выбрано товаров: 9