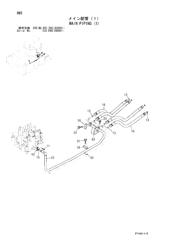
Запчасти Hitachi ZX370 063 MAIN PIPING (1). 01 UPPERSTRUCTURE

Схема запчастей Hitachi ZX370 - 063 MAIN PIPING (1). 01 UPPERSTRUCTURE
FIT
1:1
100%

Артикул

Название

Примечание

Количество

01

J011270

BOLT;SEMS

- D03/04

2шт.

01

J271270

BOLT;SEMS

T D03/05 - D06/01

2шт.

@111

01

J271270

BOLT;SEMS

D06/02 -

1шт.

01A

J901270

* BOLT

D06/02 -

1шт.

01B

J222012

* WASHER

D06/02 -

1шт.

02

4209157

SEAT;SCREW

1шт.

03

4206060

SUPPORT

T - D06/01

1шт.

@222

03

9766967

BRACKET

D06/02 -

1шт.

05

J011230

BOLT;SEMS

- D03/04

2шт.

05

J271230

BOLT;SEMS

T D03/05 -

2шт.

@333

06

4189860

CLAMP;PIPE

2шт.

09

986910

FLANGE;SPLIT

2шт.

10

971489

O-RING

1шт.

11

J781030

BOLT;SOCKET

4шт.

13

4187328

O-RING

8шт.

16

4345675

HOSE

4шт.

20

8069137

PIPE

1шт.

22

J271285

BOLT;SEMS

D06/02 -

1шт.

22A

J901285

* BOLT

D06/02 -

1шт.

22B

J222012

* WASHER

D06/02 -

1шт.

Выбрано товаров: 23