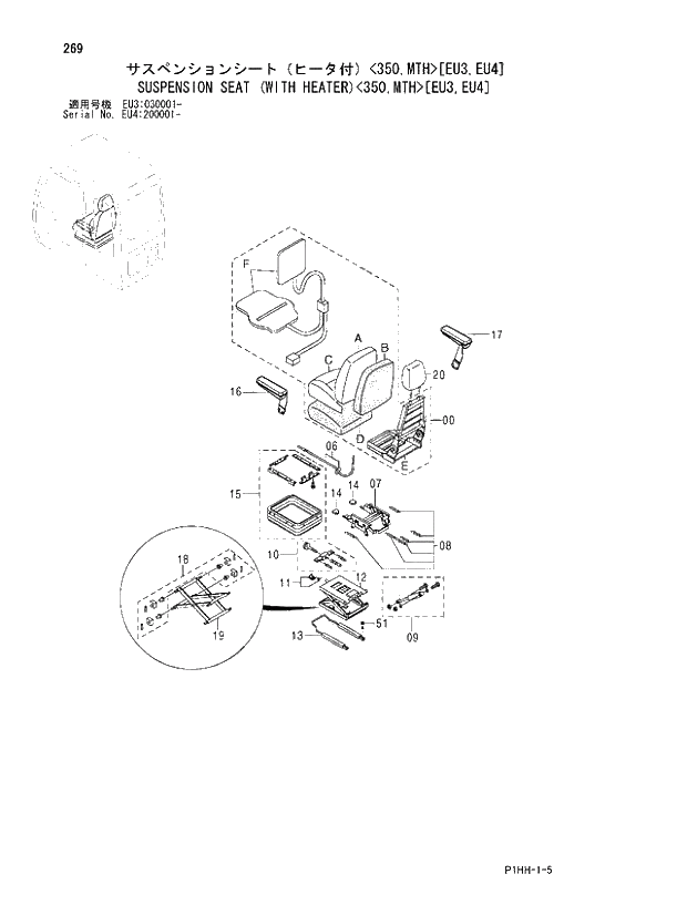
Запчасти Hitachi ZX370MTH 269 SUSPENSION SEAT (WITH HEATER)(350,MTH)(EU3,EU4). 01 UPPERSTRUCTURE

Схема запчастей Hitachi ZX370MTH - 269 SUSPENSION SEAT (WITH HEATER)(350,MTH)(EU3,EU4). 01 UPPERSTRUCTURE
FIT
1:1
100%

Артикул

Название

Примечание

Количество

00-20

4601067

SEAT ASS'Y

1шт.

00

4643484

* SEAT

1шт.

00A

4456381

** COVER;BACK

1шт.

00B

4392796

** PAD;BACK

1шт.

00C

4453664

** COVER;SEAT

1шт.

00D

4392798

** PAD;SEAT

1шт.

00E

4392799

** FRAME;SEAT

1шт.

00F

4607309

** HEATER;ELEMENT

1шт.

06

4392800

* CABLE

1шт.

07

4392801

* STAND

1шт.

08

4392802

* SPRING

1шт.

09

4392803

* DAMPER

1шт.

10

4392804

* ADJUSTER

1шт.

11

4392805

* STOPPER

1шт.

12

4392806

* SASPENSION

1шт.

13

4392807

* SLIDER

1шт.

14

4392808

* HANDLE

1шт.

15

4392809

* COVER

1шт.

16

4456377

* REST;ARM (L)

1шт.

17

4456376

* REST;ARM (R)

1шт.

18

4392812

* BUSHING

1шт.

19

4392813

* LINK

1шт.

20

4456375

* REST;HEAD

1шт.

51

M340816

BOLT;SOCKET

4шт.

Выбрано товаров: 24