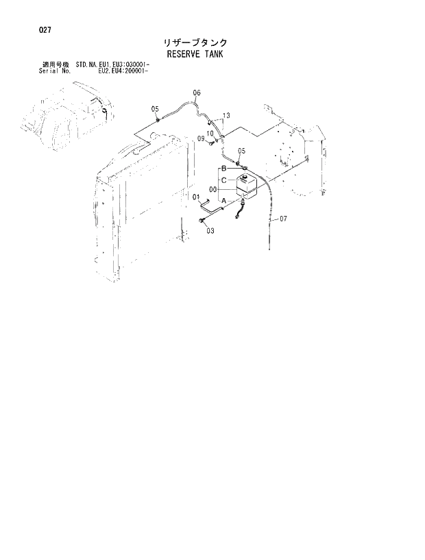
Запчасти Hitachi ZX370MTH 027 RESERVE TANK. 01 UPPERSTRUCTURE

Схема запчастей Hitachi ZX370MTH - 027 RESERVE TANK. 01 UPPERSTRUCTURE
FIT
1:1
100%

Артикул

Название

Примечание

Количество

00

4130139

TANK;WATER

1шт.

00A

4153251

* SWITCH;LEVEL

1шт.

00B

4396809

* CAP

1шт.

00C

4288260

* NAME-PLATE

1шт.

01

4180555

CLAMP

1шт.

03

J020820

BOLT;SEMS

- D03/04

2шт.

03

J260820

BOLT;SEMS

T D03/05 -

2шт.

@111

05

4508575

CLAMP;HOSE

Y - D04/02

2шт.

05

4425139

CLAMP;HOSE

D04/03 -

2шт.

06

4445110

HOSE;WATER

1шт.

07

4142844

HOSE;VINYL

1шт.

09

J901020

BOLT

1шт.

10

A590110

WASHER;PLANE

1шт.

13

4190272

CLIP

2шт.

Выбрано товаров: 15