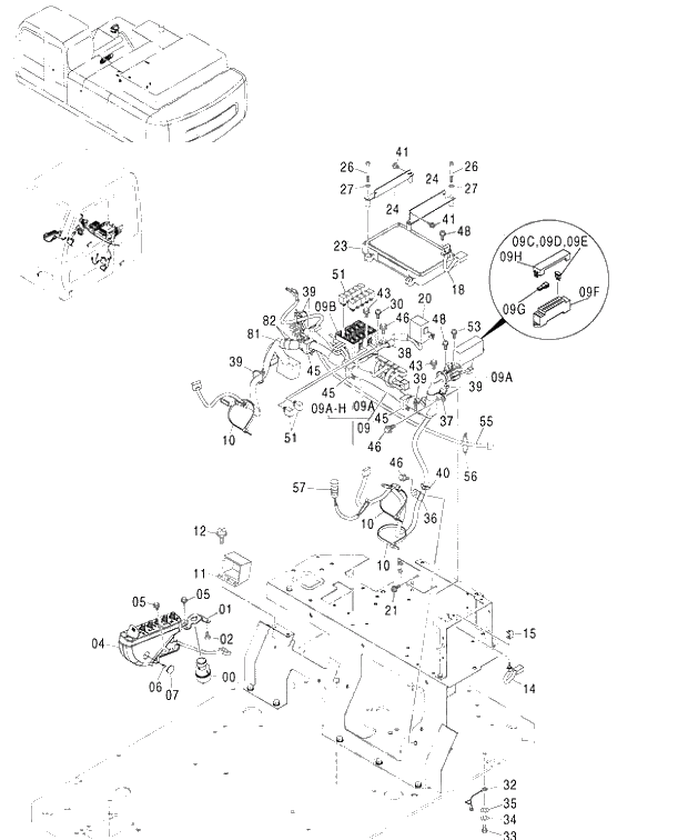
Запчасти Hitachi ZX450LC 092 ELECTRIC PARTS (7) 450,H,MT,MTH EXPORT (010001-). 01 UPPERSTRUCTURE

Схема запчастей Hitachi ZX450LC - 092 ELECTRIC PARTS (7) 450,H,MT,MTH EXPORT (010001-). 01 UPPERSTRUCTURE
FIT
1:1
100%

Артикул

Название

Примечание

Количество

0

+++++++

SWITCH;START

1шт.

1

3087882

BRACKET

1шт.

2

4361800

SCREW;TAPPING

3шт.

4

4454518

BOX;SWITCH

1шт.

5

J010814

BOLT;SEMS

-D03/04

3шт.

5

J260814

BOLT;SEMS

T D03/05-

3шт.

@111

6

4381572

SCREW

1шт.

7

4426354

CAP

1шт.

9

3800

HARNESS;WIRE

1шт.

09A

4456778

* DIODE

5шт.

09B

4427429

* BOX;RELAY

1шт.

09C

4428910

* FUSE (5A)

10шт.

09D

4428911

* FUSE (10A)

7шт.

09E

4436736

* FUSE (20A)

2шт.

09F

4456735

* BOX;FUSE

1шт.

09G

4436737

* PULLER

1шт.

09H

4443490

* COVER

1шт.

10

4121859

CLIP;BAND

3шт.

11

4431090

CONNECTOR

1шт.

12

J460620

SCREW;SEMS

2шт.

14

4359384

SWITCH

1шт.

15

4367375

BRACKET

1шт.

18

4439897

HARNESS;WIRE

1шт.

20

4452160

CONTROLLER

1шт.

21

J460616

SCREW;SEMS

2шт.

23

4448779

CONTROLLER

Y -D03/04

1шт.

23

9227386

CONTROLLER

D03/05-

1шт.

24

8082329

BRACKET

2шт.

26

M430660

SCREW

4шт.

27

A590106

WASHER;PLANE

4шт.

30

J460620

SCREW;SEMS

4шт.

32

4281293

HARNESS;WIRE

4шт.

33

J901016

BOLT

4шт.

34

A590910

WASHER;SPRING

4шт.

35

A590110

WASHER;PLANE

4шт.

36

4190275

CLIP

1шт.

37

4190264

CLIP

1шт.

38

4190253

CLIP

1шт.

39

4055312

CLIP;BAND

5шт.

40

4055311

CLIP;BAND

1шт.

41

J460510

SCREW;SEMS

4шт.

43

J020816

BOLT;SEMS

-D03/04

2шт.

43

J260816

BOLT;SEMS

T D03/05-

2шт.

@222

45

4449019

CLIP

3шт.

46

J011020

BOLT;SEMS

-D03/04

3шт.

46

J271020

BOLT;SEMS

T D03/05-

3шт.

@333

48

J460310

SCREW;SEMS

4шт.

51

4436534

RELAY

12шт.

53

J460620

SCREW;SEMS

2шт.

55

4468981

HARNESS;WIRE

010098-

1шт.

56

4055312

CLIP;BAND

010098-

3шт.

57

4384758

SWITCH;M/A

1шт.

81

4654897

RUBBER

450,H:011560-

1шт.

@444

MT,MTH:011605-

82

4055312

CLIP;BAND

450,H:011560-

2шт.

@555

MT,MTH:011605-

Выбрано товаров: 59