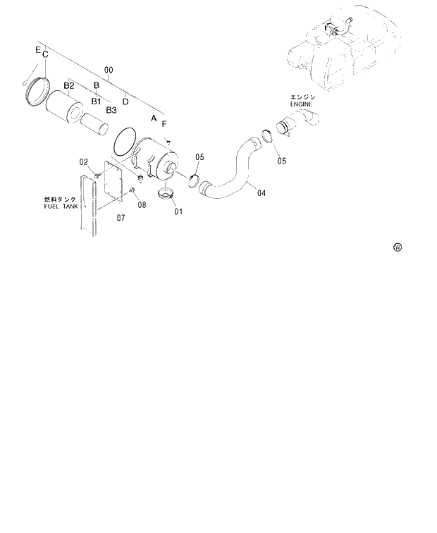
Запчасти Hitachi ZX450LC 002 AIR CLEANER 460 (050001-). 01 UPPERSTRUCTURE

Схема запчастей Hitachi ZX450LC - 002 AIR CLEANER 460 (050001-). 01 UPPERSTRUCTURE
FIT
1:1
100%

Артикул

Название

Примечание

Количество

0

4471210

CLEANER;AIR ASS'Y

1шт.

00A

+++++++

* BODY

1шт.

00B

4649895

* KIT;ELEMENT

1шт.

00B1

4466268

** ELEMENT (INNER)

1шт.

00B2

4466269

** ELEMENT (OUTER)

1шт.

00B3

4466272

** VALVE

1шт.

00C

4471224

* COVER

1шт.

00D

4471211

* GASKET

1шт.

00E

4466274

* NAME-PLATE

1шт.

00F

4421963

* INDICATOR

1шт.

1

4330083

SCREEN

1шт.

2

J271025

BOLT;SEMS

4шт.

02A

J901025

* BOLT

1шт.

02B

J222010

* WASHER

1шт.

4

2049755

HOSE;AIR

1шт.

5

4283989

CLAMP;HOSE

2шт.

7

3098754

PLATE

1шт.

8

J281230

BOLT;SEMS

4шт.

08A

J901230

* BOLT

1шт.

08B

4249324

* WASHER

1шт.

Выбрано товаров: 20