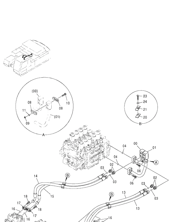
Запчасти Hitachi ZX450LC 134 MAIN PIPING (1) 460 (050001-). 01 UPPERSTRUCTURE

Схема запчастей Hitachi ZX450LC - 134 MAIN PIPING (1) 460 (050001-). 01 UPPERSTRUCTURE
FIT
1:1
100%

Артикул

Название

Примечание

Количество

0

8038955

PIPE

1шт.

1

8055536

PIPE

1шт.

2

A853166

ADAPTER;S

4шт.

02A

4506424

* O-RING

1шт.

3

4187308

O-RING

4шт.

4

4508805

O-RING

2шт.

6

M341445

BOLT;SOCKET

8шт.

8

4053599

CLAMP;PIPE

2шт.

9

J950012

NUT

1шт.

10

J901270

BOLT

1шт.

11

A590912

WASHER;SPRING

1шт.

13

4386491

HOSE

2шт.

14

4604878

HOSE

1шт.

15

4314398

HOSE

1шт.

16

971489

O-RING

4шт.

17

986910

FLANGE;SPLIT

8шт.

18

M341030

BOLT;SOCKET

16шт.

20

9727822

CLAMP

2шт.

21

4202103

CLAMP

2шт.

23

J901260

BOLT

2шт.

24

A590112

WASHER;PLANE

2шт.

Выбрано товаров: 21