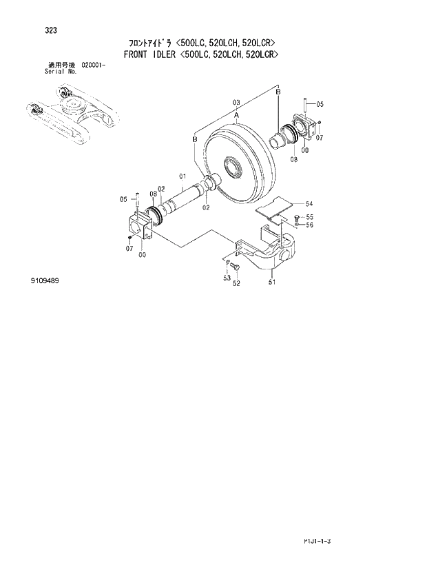
Запчасти Hitachi ZX470LCH-3 323_FRONT IDLER 500LC,520LCH,520LCR (020001 -). 02 UNDERCARRIAGE

Схема запчастей Hitachi ZX470LCH-3 - 323_FRONT IDLER 500LC,520LCH,520LCR (020001 -). 02 UNDERCARRIAGE
FIT
1:1
100%

Артикул

Название

Примечание

Количество

9109489

FRONT IDLER ASS'Y

2шт.

00-08

9137270

* IDLER ASS'Y

1шт.

0

1020496

** BRG.

2шт.

1

2037408

** AXLE

1шт.

2

4513526

** O-RING

2шт.

3

9137280

** IDLER

1шт.

03A

6014654

*** IDLER

1шт.

03B

3059745

*** BUSHING

2шт.

5

4215452

** PIN

2шт.

7

94-2011

** PLUG

2шт.

8

4344810

** SEAL;GROUP

2шт.

51

2033233

* YOKE

1шт.

52

J912460

* BOLT

4шт.

53

A590924

* WASHER;SPRING

4шт.

54

8053767

* GUARD

1шт.

55

J901230

* BOLT

3шт.

56

A590912

* WASHER;SPRING

3шт.

Выбрано товаров: 17