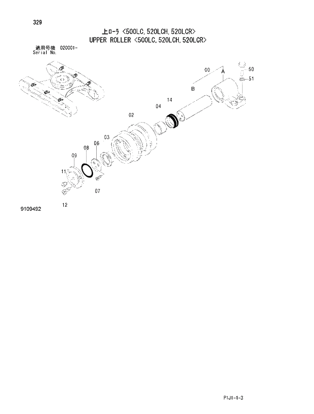
Запчасти Hitachi ZX470LCH-3 329_UPPER ROLLER 500LC,520LCH,520LCR (020001 -). 02 UNDERCARRIAGE

Схема запчастей Hitachi ZX470LCH-3 - 329_UPPER ROLLER 500LC,520LCH,520LCR (020001 -). 02 UNDERCARRIAGE
FIT
1:1
100%

Артикул

Название

Примечание

Количество

00-14

9109492

UPPER ROLLER ASS'Y

6шт.

0

+++++++

* BRACKET ASS'Y

1шт.

00A

2033232

** BRACKET

1шт.

00B

3059758

** AXLE

1шт.

2

7025472

* ROLLER

1шт.

3

3059748

* BUSHING

1шт.

4

3059749

* BUSHING

1шт.

6

4291847

* PLATE;THRUST

1шт.

7

M341020

* BOLT;SOCKET

3шт.

8

4071223

* O-RING

1шт.

9

3059750

* COVER

1шт.

11

94-2011

* PLUG

1шт.

12

M341025

* BOLT;SOCKET

3шт.

14

4259493

* SEAL;GROUP

1шт.

50

J932075

BOLT

24шт.

51

4018545

WASHER

24шт.

Выбрано товаров: 16