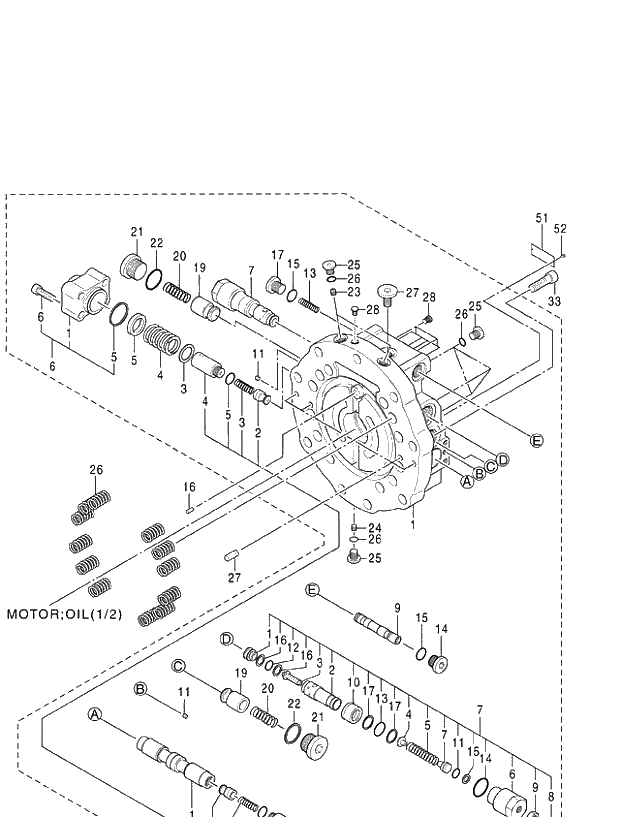
Запчасти Hitachi ZX470R-3 005 MOTOR;OIL (2_2) (020001-)_01. 02 MOTOR

Схема запчастей Hitachi ZX470R-3 - 005 MOTOR;OIL (2_2) (020001-)_01. 02 MOTOR
FIT
1:1
100%

Артикул

Название

Примечание

Количество

4652345

MOTOR;OIL (2/2)

1шт.

2

+++++++

* PLATE ASS'Y

1шт.

2?1

+++++++

** PLATE

1шт.

2?2

+++++++

** SPOOL ASS'Y

1шт.

2?2?1

+++++++

*** SPOOL

1шт.

2?2?2

+++++++

*** VALVE;CHECK

2шт.

2?2?3

+++++++

*** SPRING

2шт.

2?2?4

+++++++

*** PLUG

2шт.

2?2?5

+++++++

*** O-RING

2шт.

2?3

163601

** SEAT;SPRING

2шт.

2?4

420002

** SPRING

2шт.

2?5

809601

** SEAT;SPRING

2шт.

2?6

981701

** CAP ASS'Y

2шт.

2?6?1

+++++++

*** CAP

1шт.

2?6?5

+++++++

*** O-RING

1шт.

2?6?6

+++++++

*** BOLT;SOCKET

4шт.

2?7

806602

** VALVE;RELIEF

2шт.

2?7?1

+++++++

*** SEAT

1шт.

2?7?2

+++++++

*** HOUSING;RELIEF

1шт.

2?7?3

+++++++

*** POPPET

1шт.

2?7?4

+++++++

*** SEAT;SPRING

1шт.

2?7?5

+++++++

*** SPRING

1шт.

2?7?6

+++++++

*** PLUG

1шт.

2?7?7

+++++++

*** GUIDE;SPRING

1шт.

2?7?8

+++++++

*** SCREW;SET

1шт.

2?7?9

+++++++

*** NUT;LOCK

1шт.

2?7?10

+++++++

*** PISTON

1шт.

2?7?11

+++++++

*** O-RING

1шт.

2?7?12

+++++++

*** O-RING

1шт.

2?7?13

+++++++

*** O-RING

1шт.

2?7?14

+++++++

*** O-RING

1шт.

2?7?15

+++++++

*** RING;BACK-UP

1шт.

2?7?16

+++++++

*** RING;BACK-UP

2шт.

2?7?17

+++++++

*** RING;BACK-UP

2шт.

2?9

+++++++

** SPOOL

1шт.

2?11

+++++++

** ORIFICE

2шт.

2?13

820203

** SPRING

1шт.

2?14

671002

** PLUG

1шт.

2?15

4506418

** O-RING

2шт.

2?17

820204

** PLUG

1шт.

2?19

352304

** VALVE;CHECK

2шт.

2?20

352305

** SPRING

2шт.

2?21

352306

** PLUG

2шт.

2?22

4506429

** O-RING

2шт.

2?23

+++++++

** ORIFICE

2шт.

2?24

+++++++

** ORIFICE

1шт.

2?25

436608

** PLUG

6шт.

2?26

957366

** O-RING

6шт.

2?27

+++++++

** PLUG

1шт.

2?28

+++++++

** PLUG

7шт.

16

682803

* PIN

1шт.

26

809604

* SPRING

10шт.

27

251319

* PIN

4шт.

33

168008

* BOLT;SOCKET

9шт.

51

+++++++

* NAME-PLATE

1шт.

52

+++++++

* SCREW;DRIVE

2шт.

400

986201

PLATE ASS'Y

1шт.

+++++++

KIT;SEAL

1шт.

Выбрано товаров: 58