Качественные детали и логистика
Оригинальные и аналоговые запчасти с доставкой по России, Казахстану и Беларуси
©2022 PartSell ООО "Система" ИНН 2463123282 ОГРН 1212400004838
Центральный офис: г. Красноярск, Академика Киренского, д.87, пом.4
Телефон: 8 (800) 777-65-74 Email: zakaz@partsell.ru
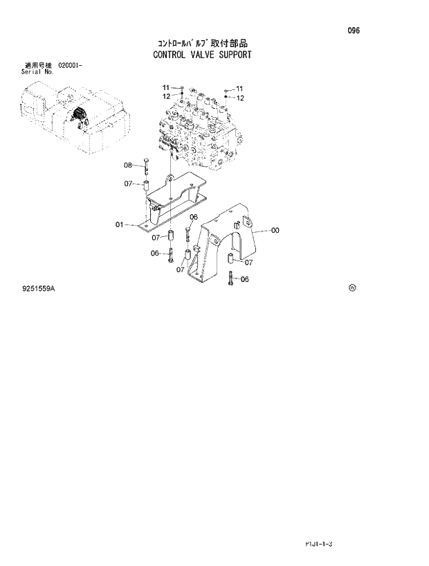
096_CONTROL VALVE SUPPORT (020001 -).
№
Артикул
Название
Примечание
Количество
0
7048594
BRACKET
1шт.
1
8100969
6
J932002
BOLT
8шт.
7
4638275
SPACER
10шт.
8
J932006
2шт.
11
J901216
12
A590112
WASHER;PLANE
Выбрано товаров: 0