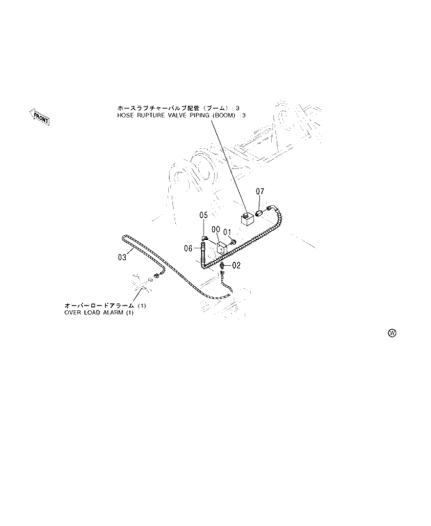
Запчасти Hitachi ZX480MT 146 OVER LOAD ALARM (2) (450,H,MT,MTH 010001-460 050001-). 01 UPPERSTRUCTURE

Схема запчастей Hitachi ZX480MT - 146 OVER LOAD ALARM (2) (450,H,MT,MTH 010001-460 050001-). 01 UPPERSTRUCTURE
FIT
1:1
100%

Артикул

Название

Примечание

Количество

0

3083919

BLOCK

1шт.

1

J271250

BOLT;SEMS

2шт.

01A

J901250

* BOLT

1шт.

01B

J222012

* WASHER

1шт.

2

4436271

SENSOR;PRES.

1шт.

02A

4365826

* O-RING

1шт.

3

3096001

HARNESS;WIRE

1шт.

5

A852322

ELBOW;S

1шт.

05A

957366

* O-RING

1шт.

6

4407922

HOSE

1шт.

7

A852422

TEE;S

1шт.

07A

957366

* O-RING

1шт.

Выбрано товаров: 12