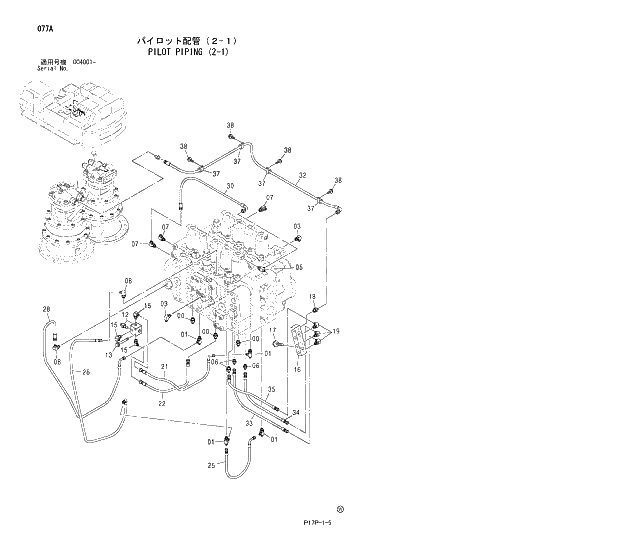
Запчасти Hitachi ZX650H 077 PILOT PIPING (2-1) 01 UPPERSTRUCTURE

Схема запчастей Hitachi ZX650H - 077 PILOT PIPING (2-1) 01 UPPERSTRUCTURE
FIT
1:1
100%

Артикул

Название

Примечание

Количество

00

A852133

ADAPTER;S

3шт.

00A

4509180

* O-RING

1шт.

01

A852433

TEE;S

4шт.

01A

4509180

* O-RING

1шт.

03

A852333

ELBOW;S

2шт.

03A

4509180

* O-RING

1шт.

05

A852422

TEE;S

1шт.

05A

957366

* O-RING

1шт.

06

A852122

ADAPTER;S

3шт.

06A

957366

* O-RING

1шт.

07

A852322

ELBOW;S

3шт.

07A

957366

* O-RING

1шт.

08

A852323

ELBOW;S

2шт.

08A

957366

* O-RING

1шт.

12

4261289

VALVE;SOLENOID

1шт.

13

J010860

BOLT;SEMS

0

2шт.

13

J260860

BOLT;SEMS

T D03/05 -

2шт.

@111

15

A852323

ELBOW;S

3шт.

15A

957366

* O-RING

1шт.

16

4451778

BLOCK

1шт.

17

J011055

BOLT;SEMS

0

2шт.

17

J271055

BOLT;SEMS

T D03/05 -

2шт.

@222

18

A852122

ADAPTER;S

1шт.

18A

957366

* O-RING

1шт.

19

A852322

ELBOW;S

3шт.

19A

957366

* O-RING

1шт.

21

4454898

HOSE (1A)

1шт.

22

4454899

HOSE (1B)

1шт.

25

4449629

HOSE (4A)

1шт.

26

4449630

HOSE (4B)

1шт.

28

4449632

HOSE (7A)

1шт.

30

4437412

HOSE (D51)

1шт.

32

4454900

HOSE (PS)

1шт.

33

4451816

HOSE (BKC)

1шт.

34

4451817

HOSE (BMU)

1шт.

35

4451818

HOSE (AMC)

1шт.

37

4190272

CLIP

4шт.

38

J011020

BOLT;SEMS

0

4шт.

38

J271020

BOLT;SEMS

T D03/05 -

4шт.

@333

Выбрано товаров: 42