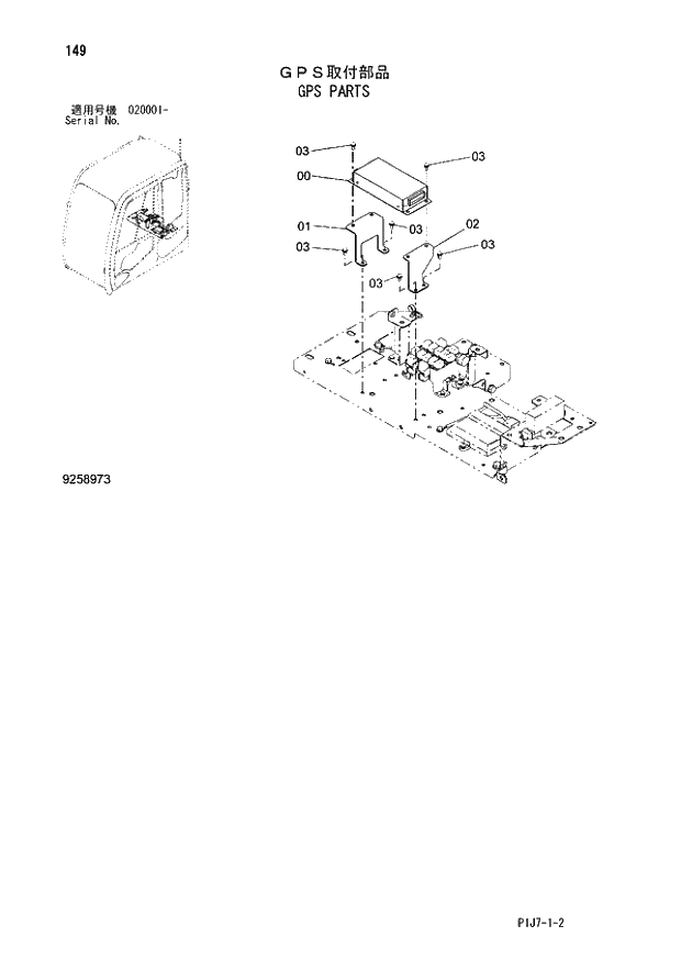
Запчасти Hitachi ZX650LC-3 149 GPS PARTS (020001 -). 01 UPPERSTRUCTURE

Схема запчастей Hitachi ZX650LC-3 - 149 GPS PARTS (020001 -). 01 UPPERSTRUCTURE
FIT
1:1
100%

Артикул

Название

Примечание

Количество

0

4635318

CONTROLLER

1шт.

1

8100548

BRACKET

1шт.

2

8100549

BRACKET

1шт.

3

J460616

SCREW;SEMS

8шт.

Выбрано товаров: 4