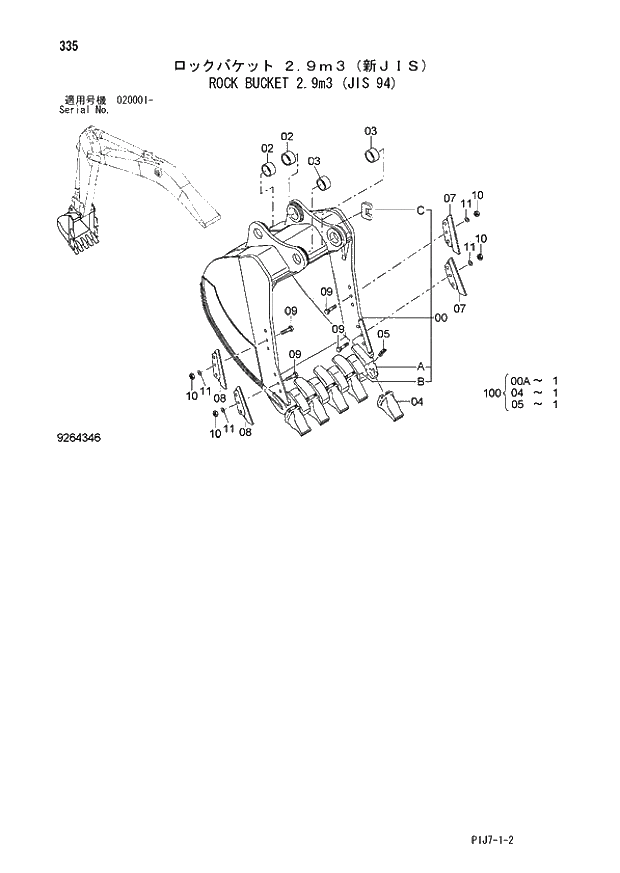
Запчасти Hitachi ZX650LC-3 335 ROCK BUCKET 2.9m3 (JIS 94) (020001 -). 03 FRONT-END ATTACHMENT

Схема запчастей Hitachi ZX650LC-3 - 335 ROCK BUCKET 2.9m3 (JIS 94) (020001 -). 03 FRONT-END ATTACHMENT
FIT
1:1
100%

Артикул

Название

Примечание

Количество

9264346

ROCK BUCKET ASS'Y

1шт.

0

5010740

* BUCKET;ROCK

1шт.

00A

4472321

** ADAPTER;TOOTH

5шт.

00B

4337184

** SHROUD

4шт.

00C

4379222

** STOPPER

2шт.

2

4643725

* BUSHING

2шт.

3

4338522

* BUSHING

I - F:A05

2шт.

3

4661080

* BUSHING

F:A06 -

2шт.

4

4472424

* POINT;TOOTH

5шт.

5

4472883

* PIN;LOCK

5шт.

7

4435856

* SHROUD

2шт.

8

4435857

* SHROUD

2шт.

9

4218740

* BOLT;SHOE

12шт.

10

J953027

* NUT

12шт.

11

4085857

* WASHER

12шт.

100

9268218

KIT;POINT

5шт.

Выбрано товаров: 16