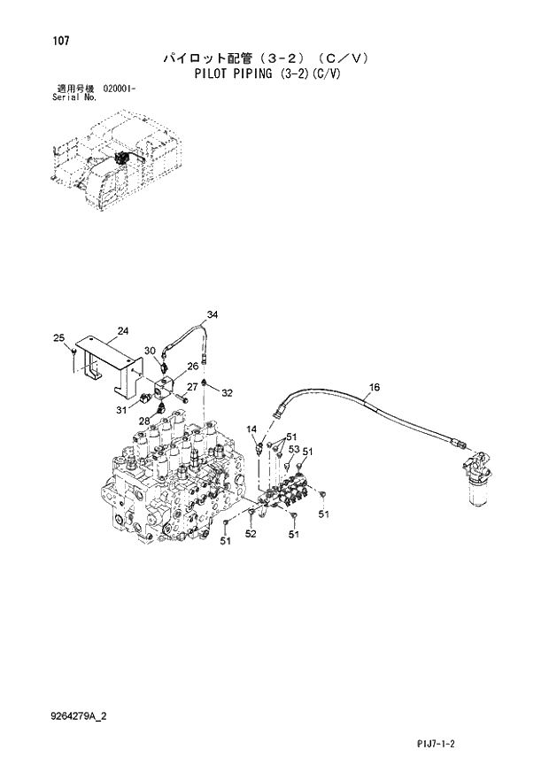
Запчасти Hitachi ZX650LC-3 107 PILOT PIPING (3-2)(C-V) (020001 -). 01 UPPERSTRUCTURE

Схема запчастей Hitachi ZX650LC-3 - 107 PILOT PIPING (3-2)(C-V) (020001 -). 01 UPPERSTRUCTURE
FIT
1:1
100%

Артикул

Название

Примечание

Количество

14

A852234

ELBOW;S

1шт.

14A

4509180

* O-RING

1шт.

16

4644371

HOSE

I -20091

1шт.

16

4670042

HOSE

020092 -

1шт.

24

7049631

BRACKET

1шт.

25

J271020

BOLT;SEMS

2шт.

25A

J901020

* BOLT

1шт.

25B

J222010

* WASHER

1шт.

26

9123033

VALVE;CHECK

1шт.

27

J271060

BOLT;SEMS

2шт.

27A

J901060

* BOLT

1шт.

27B

J222010

* WASHER

1шт.

28

A852333

ELBOW;S

1шт.

28A

4509180

* O-RING

1шт.

30

A852422

TEE;S

1шт.

30A

957366

* O-RING

1шт.

31

A852344

ELBOW;S

1шт.

31A

4506418

* O-RING

1шт.

32

A852122

ADAPTER;S

1шт.

32A

957366

* O-RING

1шт.

34

4634394

HOSE

1шт.

51

A885002

PLUG

7шт.

51A

957366

* O-RING

1шт.

52

A885003

PLUG

1шт.

52A

4509180

* O-RING

1шт.

53

A885002

PLUG

020050 -

1шт.

53A

957366

* O-RING

020050 -

1шт.

Выбрано товаров: 27