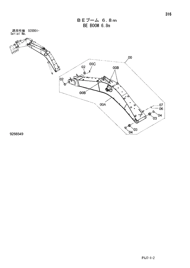
Запчасти Hitachi ZX670LCH-3 316 BE BOOM 6.8m (020001 -). 03 FRONT-END ATTACHMENT

Схема запчастей Hitachi ZX670LCH-3 - 316 BE BOOM 6.8m (020001 -). 03 FRONT-END ATTACHMENT
FIT
1:1
100%

Артикул

Название

Примечание

Количество

0

9268549

BOOM ASS'Y

1шт.

00A

5010931

* BOOM

1шт.

00B

4379221

** STOPPER

3шт.

00C

4651923

** STOPPER

1шт.

2

4448085

* BUSHING

2шт.

3

3060122

* BUSHING

2шт.

4

4251754

* SEAL;DAST

2шт.

6

+++++++

* NAME-PLATE

1шт.

7

M492564

* SCREW;DRIVE

4шт.

Выбрано товаров: 9