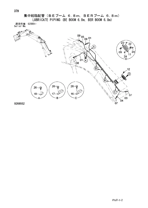
Запчасти Hitachi ZX670LCH-3 379 LUBRICATE PIPING (BE BOOM 6.8m, BER BOOM 6.8m) (020001 -). 03 FRONT-END ATTACHMENT

Схема запчастей Hitachi ZX670LCH-3 - 379 LUBRICATE PIPING (BE BOOM 6.8m, BER BOOM 6.8m) (020001 -). 03 FRONT-END ATTACHMENT
FIT
1:1
100%

Артикул

Название

Примечание

Количество

1

4316009

HOSE;NYLON

2шт.

3

4317872

HOSE;NYLON

1шт.

4

4400395

HOSE;PLASTIC

1шт.

5

4314982

HOSE;PLASTIC

1шт.

7

4154656

ELBOW;S

2шт.

8

4154655

ELBOW;S

2шт.

9

4154651

ADAPTER;S

6шт.

11

4646046

BLOCK

1шт.

12

J271050

BOLT;SEMS

2шт.

12A

J901050

* BOLT

1шт.

12B

J222010

* WASHER

1шт.

16

4192018

CLIP

2шт.

17

4252877

CLIP

4шт.

18

4190261

CLIP

3шт.

22

J75482

FITTING;GREASE

5шт.

23

94-2022

PLUG

5шт.

24

94-2023

PLUG

4шт.

26

J271025

BOLT;SEMS

9шт.

26A

J901025

* BOLT

1шт.

26B

J222010

* WASHER

1шт.

Выбрано товаров: 20