Качественные детали и логистика
Оригинальные и аналоговые запчасти с доставкой по России, Казахстану и Беларуси
©2022 PartSell ООО "Система" ИНН 2463123282 ОГРН 1212400004838
Центральный офис: г. Красноярск, Академика Киренского, д.87, пом.4
Телефон: 8 (800) 777-65-74 Email: zakaz@partsell.ru
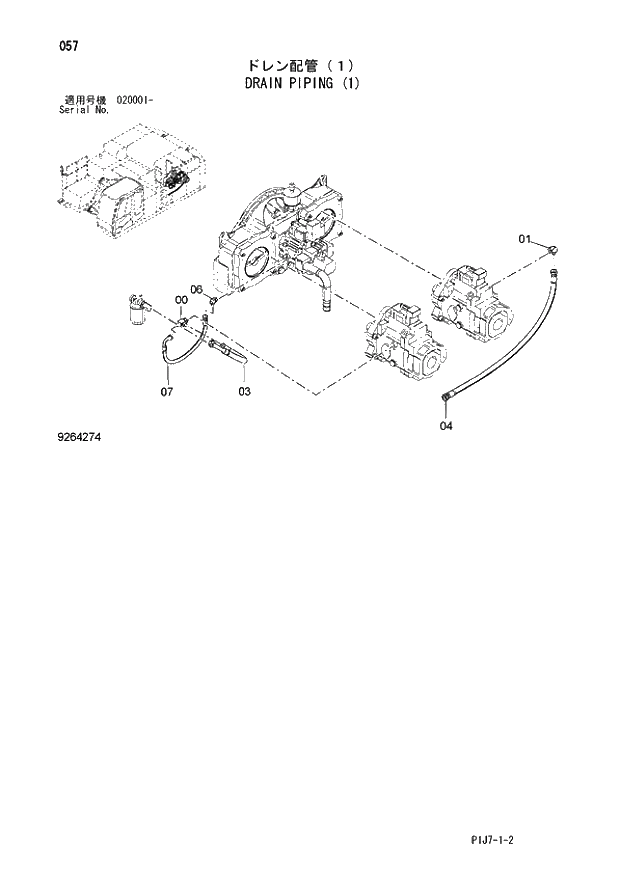
057 DRAIN PIPING (1) (020001 -).
№
Артикул
Название
Примечание
Количество
0
4466996
TEE;S
1шт.
00A
4506424
* O-RING
1
A852366
ELBOW;S
01A
3
4287439
HOSE
4
4364234
6
A852344
06A
4506418
7
4308289
Выбрано товаров: 9