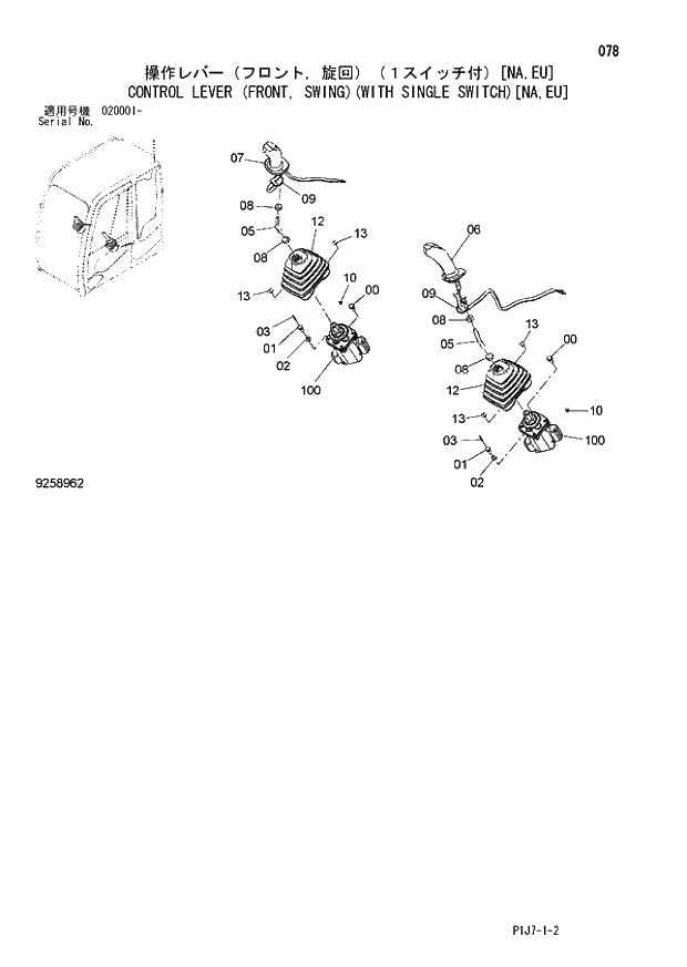
Запчасти Hitachi ZX670LCR-3 078 CONTROL LEVER (FRONT, SWING)(WITH SINGLE SWITCH)(NA,EU) (020001 -). 01 UPPERSTRUCTURE

Схема запчастей Hitachi ZX670LCR-3 - 078 CONTROL LEVER (FRONT, SWING)(WITH SINGLE SWITCH)(NA,EU) (020001 -). 01 UPPERSTRUCTURE
FIT
1:1
100%

Артикул

Название

Примечание

Количество

0

J260820

BOLT;SEMS

6шт.

00A

J900820

* BOLT

1шт.

00B

A590108

* WASHER;PLANE

1шт.

1

4609956

BOLT

2шт.

2

A590108

WASHER;PLANE

2шт.

3

4144011

PIN;SPRING

2шт.

5

4633644

SHAFT

2шт.

6

4648125

GRIP

1шт.

7

4648126

GRIP

1шт.

8

J950012

NUT

4шт.

9

4055311

CLIP;BAND

2шт.

10

4300351

CLIP;BAND

2шт.

12

4639127

BOOT

2шт.

13

4642773

WASHER

8шт.

100

9266189

VALVE;PILOT

I

2шт.

100

9267050

VALVE;PILOT

2шт.

Выбрано товаров: 16