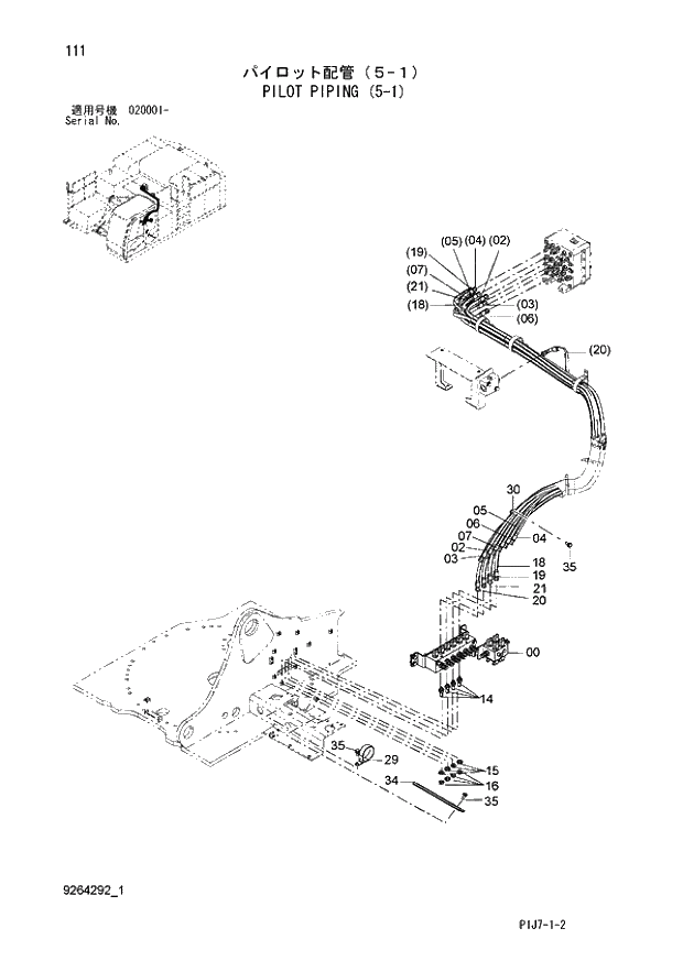
Запчасти Hitachi ZX670LCR-3 111 PILOT PIPING (5-1) (020001 -). 01 UPPERSTRUCTURE

Схема запчастей Hitachi ZX670LCR-3 - 111 PILOT PIPING (5-1) (020001 -). 01 UPPERSTRUCTURE
FIT
1:1
100%

Артикул

Название

Примечание

Количество

0

9262896

SENSOR BLOCK ASS'Y

1шт.

2

4644139

HOSE

1шт.

3

4644140

HOSE

1шт.

4

4644141

HOSE

1шт.

5

4644142

HOSE

1шт.

6

4644145

HOSE

1шт.

7

4644146

HOSE

1шт.

14

4202532

ADAPTER;S

4шт.

15

A590914

WASHER;SPRING

4шт.

16

4202531

NUT

4шт.

18

4644143

HOSE

1шт.

19

4644144

HOSE

1шт.

20

4644152

HOSE

1шт.

21

4644153

HOSE

1шт.

29

4204136

CLIP

1шт.

30

4190264

CLIP

1шт.

34

4341877

CLAMP;HOSE

1шт.

35

J271025

BOLT;SEMS

4шт.

35A

J901025

* BOLT

1шт.

35B

J222010

* WASHER

1шт.

Выбрано товаров: 20