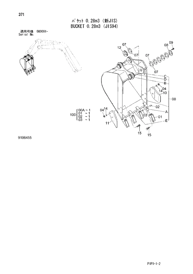
Запчасти Hitachi ZX70LC-3 371 BUCKET 0.28m3 (JIS94) 04 OFFSET ATTACHMENTS

Схема запчастей Hitachi ZX70LC-3 - 371 BUCKET 0.28m3 (JIS94) 04 OFFSET ATTACHMENTS
FIT
1:1
100%

Артикул

Название

Примечание

Количество

9196455

BUCKET

1шт.

0

8082133

* BUCKET

1шт.

00A

4135495

** ADAPTER

4шт.

00B

4197030

** STOPPER

2шт.

00C

4377366

** BOSS

2шт.

00D

4458507

** BOSS

1шт.

00E

4274027

** PLATE

1шт.

1

4135496

* POINT;TOOTH

4шт.

2

4135497

* PIN;LOCK

4шт.

3

4135498

* RUBBER;LOCK

4шт.

4

J953020

* NUT

6шт.

7

4374410

* SHIM 1.0mm

12шт.

8

4374408

* PLATE

1шт.

9

M341050

* BOLT;SOCKET

3шт.

10

3053595

* CUTTER;SIDE

1шт.

11

3053596

* CUTTER;SIDE

1шт.

12

4458506

* BOSS

1шт.

14

A590920

* WASHER;SPRING

6шт.

15

4400608

* BOLT

6шт.

100

9054069

KIT;POINT

4шт.

Выбрано товаров: 20