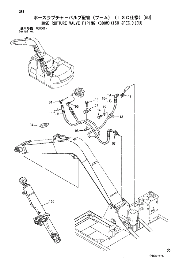
Запчасти Hitachi ZX70LC 367 HOSE RUPTURE VALVE PIPING (BOOM)(ISO SPEC.)(EU) 03 MONO BOOM ATTACHMENTS

Схема запчастей Hitachi ZX70LC - 367 HOSE RUPTURE VALVE PIPING (BOOM)(ISO SPEC.)(EU) 03 MONO BOOM ATTACHMENTS
FIT
1:1
100%

Артикул

Название

Примечание

Количество

00

A852323

ELBOW;S

1шт.

00A

957366

* O-RING

1шт.

01

A852322

ELBOW;S

1шт.

01A

957366

* O-RING

1шт.

02

4203485

FITTING;PIPE

1шт.

02A

957366

* O-RING

1шт.

04

4055312

CLIP;BAND

8шт.

06

9757600

CLAMP

1шт.

07

9757601

CLAMP

1шт.

08

J011280

BOLT;SEMS

I 0

1шт.

08

J901280

BOLT

D03/05 -

1шт.

10

9209727

HOSE ASS'Y

1шт.

10A

4467511

* HOSE

1шт.

10B

4327293

* PROTECTOR

4шт.

11

9209728

HOSE ASS'Y

1шт.

11A

4467510

* HOSE

1шт.

11B

4327293

* PROTECTOR

3шт.

13

4190277

CLIP

1шт.

14

J901225

BOLT

1шт.

15

A590912

WASHER;SPRING

1шт.

17

4242052

UNION;M

1шт.

100

H

CYL.;BOOM

1шт.

Выбрано товаров: 22