Запчасти Hitachi ZX80LCK-3 263 COVER (2) 01 UPPERSTRUCTURE

Схема запчастей Hitachi ZX80LCK-3 - 263 COVER (2) 01 UPPERSTRUCTURE
FIT
1:1
100%

Артикул

Название

Примечание

Количество

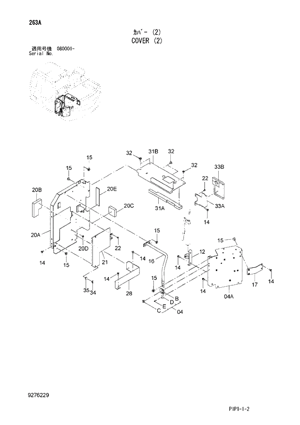
4

9276407

COVER ASS'Y

1шт.

04A

7052610

* COVER

1шт.

04B

4455694

* STOPPER

1шт.

04C

J281030

* BOLT;SEMS

2шт.

04CA

J901030

** BOLT

1шт.

04CB

4486055

** WASHER

1шт.

04D

4652573

* STOPPER

1шт.

04E

J260635

* BOLT;SEMS

2шт.

04EA

J900635

** BOLT

1шт.

04EB

A590106

** WASHER;PLANE

1шт.

12

4656678

HOLDER

1шт.

14

J271030

BOLT;SEMS

11шт.

14A

J901030

* BOLT

1шт.

14B

J222010

* WASHER

1шт.

15

J281030

BOLT;SEMS

10шт.

15A

J901030

* BOLT

1шт.

15B

4486055

* WASHER

1шт.

16

8111511

STAY

1шт.

17

9768262

BRACKET

1шт.

20

9287125

COVER ASS'Y

1шт.

20A

7054351

* COVER

1шт.

20B

4668915

* RUBBER

1шт.

20C

4680240

* RUBBER

1шт.

20D

94-2817

* BUSHING;RUBBER

1шт.

20E

4689456

* RUBBER

1шт.

21

8112388

COVER

1шт.

22

J260820

BOLT;SEMS

3шт.

22A

J900820

* BOLT

1шт.

22B

A590108

* WASHER;PLANE

1шт.

28

4678313

COVER

1шт.

31

9287402

COVER ASS'Y

1шт.

31A

4680388

* RUBBER

1шт.

31B

8114587

* COVER

1шт.

32

J281025

BOLT;SEMS

6шт.

32A

J901025

* BOLT

1шт.

32B

4486055

* WASHER

1шт.

33

9290607

COVER ASS'Y

1шт.

33A

4684339

* COVER

1шт.

33B

4684340

* RUBBER

1шт.

34

M570010

NUT;WING

2шт.

35

J217083

WASHER

2шт.

Выбрано товаров: 41