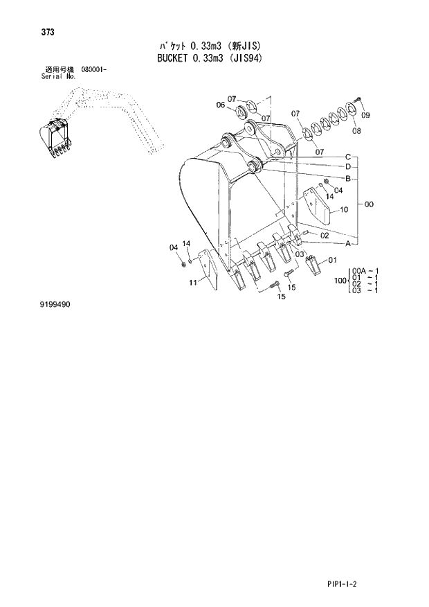
Запчасти Hitachi ZX80LCK-3 373 BUCKET 0.33m3 (JIS94) 03 MONO BOOM ATTACHMENTS

Схема запчастей Hitachi ZX80LCK-3 - 373 BUCKET 0.33m3 (JIS94) 03 MONO BOOM ATTACHMENTS
FIT
1:1
100%

Артикул

Название

Примечание

Количество

9199490

BUCKET

1шт.

0

8083520

* BUCKET

1шт.

00A

4135495

** ADAPTER

5шт.

00B

4197030

** STOPPER

2шт.

00C

4377366

** BOSS

2шт.

00D

4458507

** BOSS

1шт.

1

4135496

* POINT;TOOTH

5шт.

2

4135497

* PIN;LOCK

5шт.

3

4135498

* RUBBER;LOCK

5шт.

4

J953020

* NUT

6шт.

6

4458506

* BOSS

1шт.

7

4374410

* SHIM 1.0mm

12шт.

8

4374408

* PLATE

1шт.

9

M341050

* BOLT;SOCKET

3шт.

10

3053595

* CUTTER;SIDE

1шт.

11

3053596

* CUTTER;SIDE

1шт.

14

A590920

* WASHER;SPRING

6шт.

15

4400608

* BOLT

6шт.

100

9054069

KIT;POINT

5шт.

Выбрано товаров: 19