Качественные детали и логистика
Оригинальные и аналоговые запчасти с доставкой по России, Казахстану и Беларуси
©2022 PartSell ООО "Система" ИНН 2463123282 ОГРН 1212400004838
Центральный офис: г. Красноярск, Академика Киренского, д.87, пом.4
Телефон: 8 (800) 777-65-74 Email: zakaz@partsell.ru
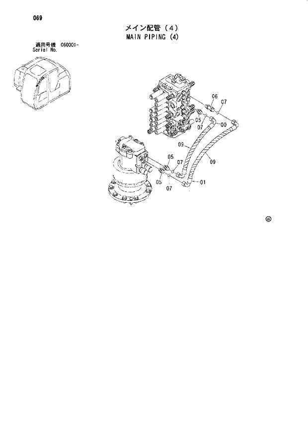
069 MAIN PIPING (4)
№
Артикул
Название
Примечание
Количество
00
4449924
HOSE
1шт.
01
4449925
05
A853144
ADAPTER;S
3шт.
05A
4506418
* O-RING
06
4199247
06A
07
4138938
O-RING
4шт.
09
4327294
PROTECTOR
2шт.
Выбрано товаров: 0