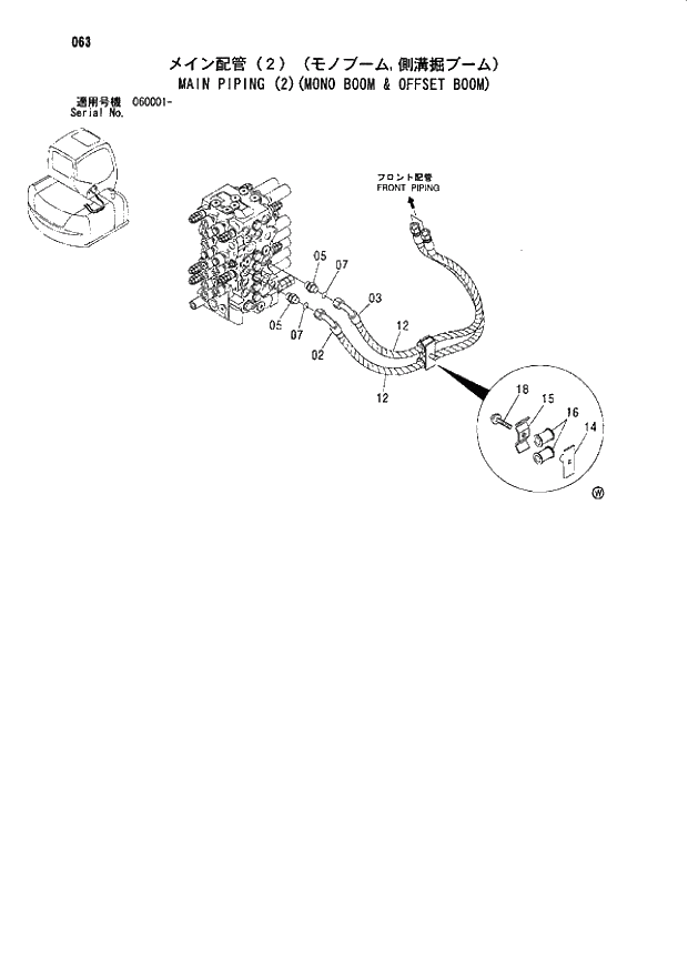
Запчасти Hitachi ZX80SB 063 MAIN PIPING (2)(MONO BOOM & OFFSET BOOM) 01 UPPERSTRUCTURE

Схема запчастей Hitachi ZX80SB - 063 MAIN PIPING (2)(MONO BOOM & OFFSET BOOM) 01 UPPERSTRUCTURE
FIT
1:1
100%

Артикул

Название

Примечание

Количество

02

4457457

HOSE

1шт.

03

4457458

HOSE

1шт.

05

A853144

ADAPTER;S

2шт.

05A

4506418

* O-RING

1шт.

07

4138938

O-RING

2шт.

12

4327294

PROTECTOR

4шт.

14

9757642

CLAMP

1шт.

15

4202103

CLAMP

1шт.

16

4463996

BUSHING;RUBBER

2шт.

18

J011255

BOLT;SEMS

I 0

1шт.

18

J901255

BOLT

D03/05 -

1шт.

Выбрано товаров: 11