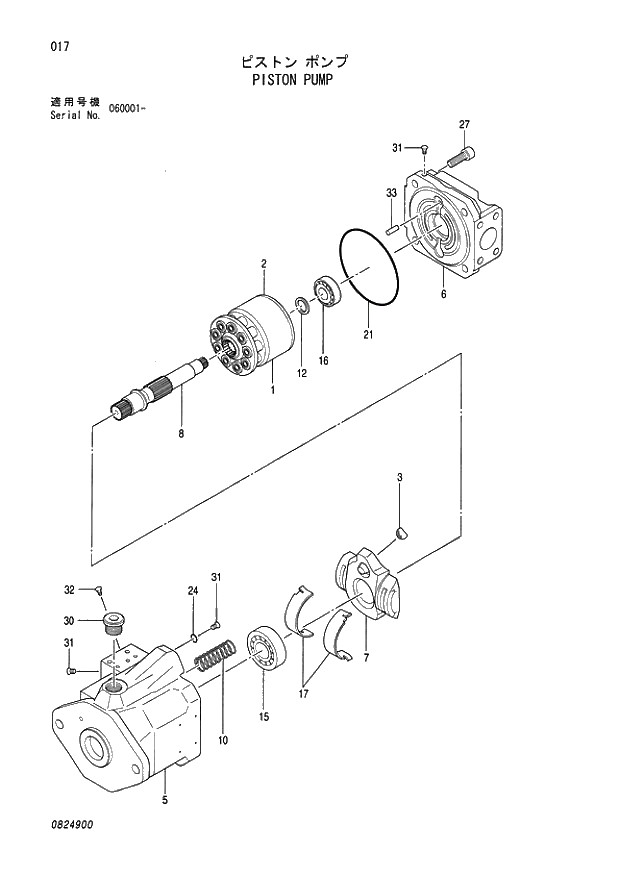
Запчасти Hitachi ZX80SBLC 017 PISTON PUMP 01 PUMP

Схема запчастей Hitachi ZX80SBLC - 017 PISTON PUMP 01 PUMP
FIT
1:1
100%

Артикул

Название

Примечание

Количество

4472053

PISTON PUMP

1шт.

1

4472009

* ROTARY GROUP

1шт.

2

0824901

* PLATE

1шт.

3

D

* BALL;STEEL

1шт.

5

D

* HOUSING

1шт.

6

D

* COVER

1шт.

7

D

* PLATE;SWASH

1шт.

8

D

* SHAFT

1шт.

10

0824902

* SPRING

1шт.

12

D

* SHIM

1шт.

15

D

* BRG.

1шт.

16

D

* BRG.

1шт.

17

D

* METAAL

2шт.

21

0824903

* O-RING

1шт.

24

0824904

* SEAL;RING

1шт.

27

0824905

* BOLT;SOCKET

4шт.

30

0824906

* PLUG

1шт.

31

0824907

* PLUG

3шт.

32

0824908

* PLUG

1шт.

33

D

* PIN

1шт.

Выбрано товаров: 20